Analog Devices Inc. EVAL-ADRF5717評価ボード

Analog Devices Inc. EVAL-ADRF5717評価ボードは、シリコン・オン・インシュレータ(SOI)プロセスで製造された48dB減衰制御範囲を持つADRF57172 ビット・デジタル・アッテネータの機能と性能を評価します。このコネクタ付きフル機能搭載評価ボードは、試験装置への簡単な接続を実現しており、キャリブレーションのための追加のスルーラインが備わっています。

特徴

  • 必要なすべての機能を備えたADRF5717用評価ボード
  • 試験装置への簡単な接続
  • キャリブレーション用の追加スルーライン

アプリケーション

  • 産業用スキャナ
  • 試験と計器
  • セルラー・インフラ、5Gミリ波
  • 軍用ラジオ、レーダー、電子対策(ECM)
  • マイクロ波ラジオおよび微小開口端子(VSAT)

必要な機器

  • DC電源
  • ネットワーク解析器

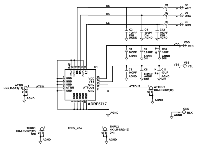
回路図

回路図 - Analog Devices Inc. EVAL-ADRF5717評価ボード
公開: 2024-03-06 | 更新済み: 2024-03-15