Analog Devices Inc. EVAL-ADXL373Zブレイクアウトボード

Analog Devices Inc. EVAL-ADXL373Zブレイクアウト・ボードは、ADXL373マイクロパワー、3軸、±400g、デジタル出力、微小電気機械システム(MEMS)加速度計の性能実証に使用します。評価ボードの剛性と小型サイズによって、システムと加速度の両方の計測に対するボードの影響を最小限に抑えることができるため、ADI EVAL-ADXL373Zボードは既存システムでのADXL373の評価に最適です。

特徴

  • 5ピンヘッダの実装を目的とした、間隔を空けた2組のバイアス
  • プロトタイピングボードまたはPCBに取り付けるだけ
  • 小型かつボードの剛性によって、システムおよび加速度計測への影響を最小限に抑えられます。

必要な機器

  • 外部ホストプロセッサ

レイアウト

Analog Devices Inc. EVAL-ADXL373Zブレイクアウトボード

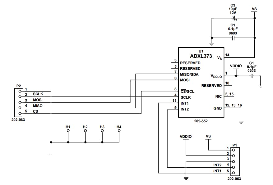
回路図

回路図 - Analog Devices Inc. EVAL-ADXL373Zブレイクアウトボード
公開: 2021-06-28 | 更新済み: 2022-03-11