Analog Devices Inc. EVAL-CN0391-ARDZ評価ボード
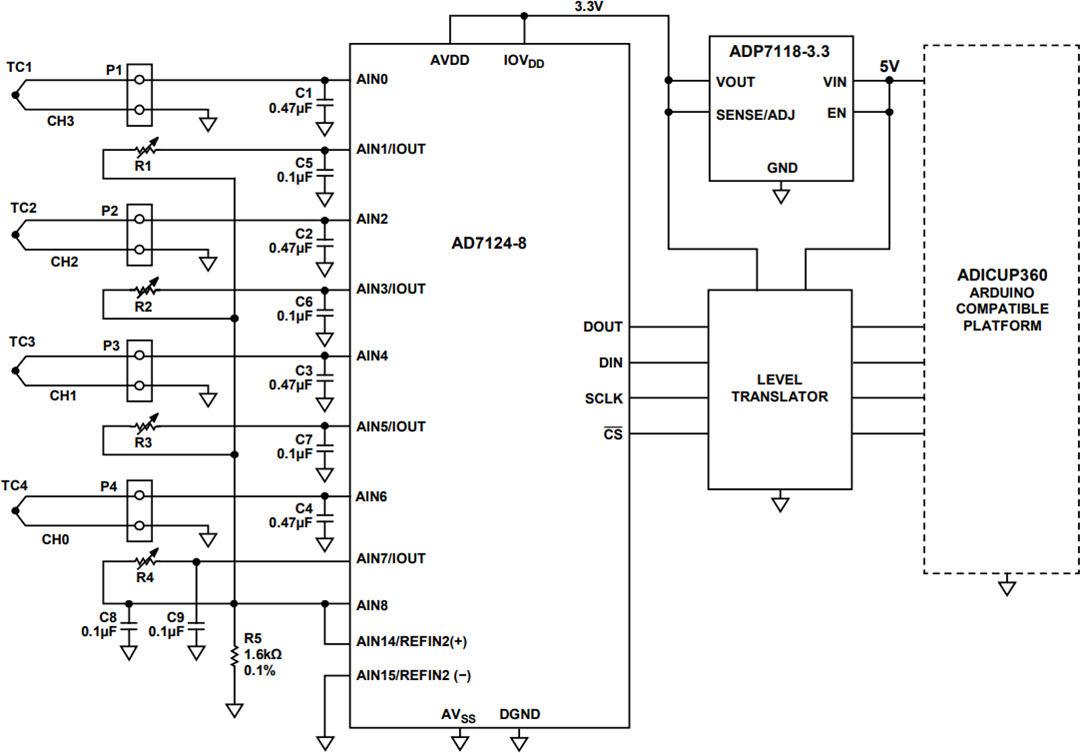
Analog Devices EVAL-CN 0391-ARDZ評価ボードは、Arduinoシールド形状が特徴で、CN0391マルチチャンネル熱電対測定システムの急速なプロトタイピングを行う設計者に役立ちます。 CN0391マルチチャンネル熱電対測定システムによって、設計者は最大4つの熱電対を入力できます。 ボードは、K、J、T、R、S、E、N、Bを含めた8つの熱電対タイプに対応しています。個々の熱電対タイプには、完全な埋込アルゴリズムと共に冷接点補償があります。 CN0391を使用すると、熱電対のあらゆる組み合わせが可能になります。特徴
- 柔軟性に富んだ4チャンネル熱電対システム
- 冷接点補償
- 24ビットデジタル化
- 低消費電力
- Arduino互換フォームファクタ
テスト設定
簡易回路図
公開: 2016-08-31
| 更新済み: 2025-03-25
