Analog Devices Inc. EVAL-CN0422-EBZ回路評価ボード

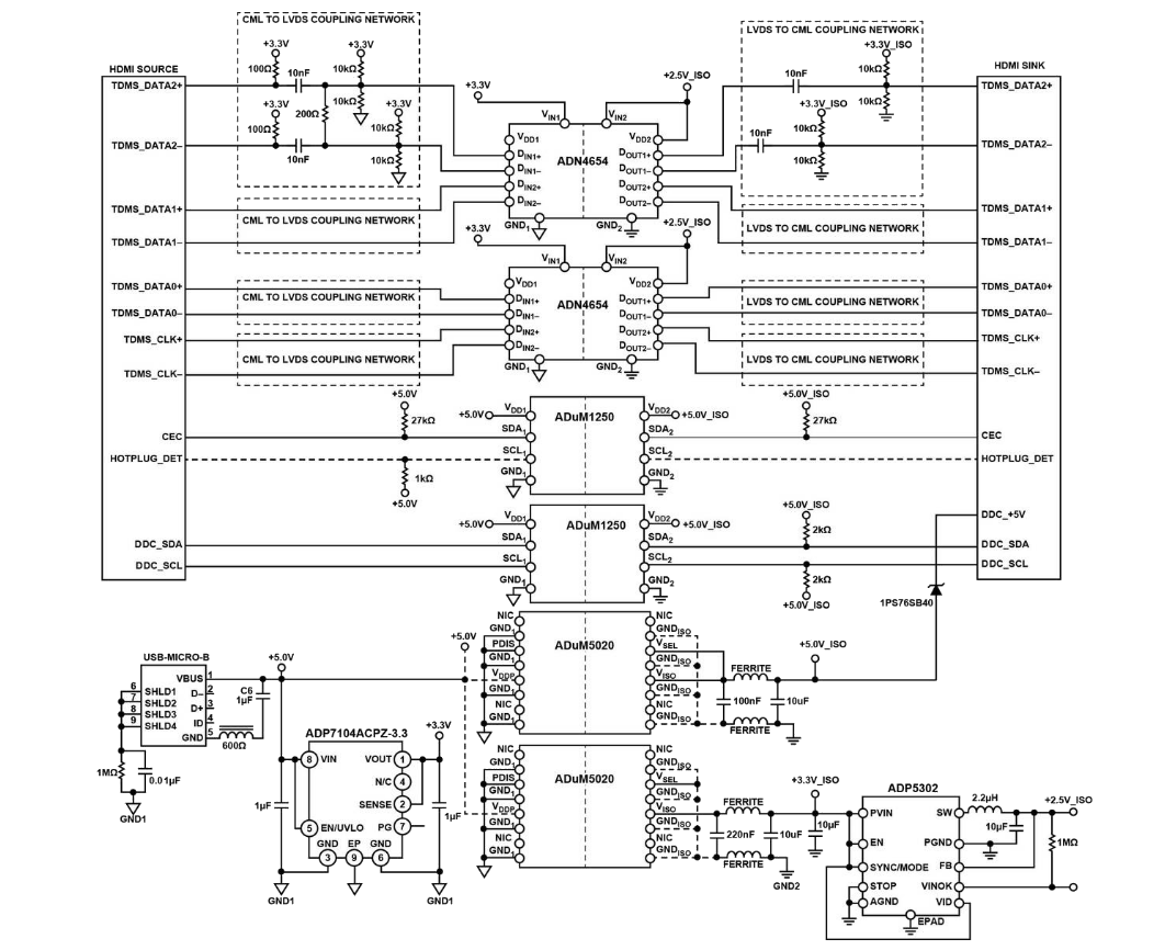
Analog Devices Inc. EVAL-CN0422-EBZ回路評価ボードには、iCoupler® 絶縁テクノロジーを使用したHDMI 1.3aプロトコルのガルバニック絶縁が備わっています。iCouplerテクノロジーは、低電圧差動信号発生(LVDS)物理層を1Gpbsを超過するデータレートで絶縁し、絶縁と高帯域幅の両方が必須となるシステムでの複雑性が緩和されます。

EVAL-CN0422-EBZ回路評価ボードを使用すると、HDMIソースとHDMIシンクの間でADN4654adum1250ADuM5020デバイスを介した起動通信シーケンスが可能になります。このボードには、ADP7104 LDOおよびADP5302降圧型レギュレータも組み込まれています。

特徴

  • 720p/60HzでHDMI 1.3に対応
  • 2500Vガルバニック絶縁
  • USBから駆動

ビデオ

ブロック図

ブロック図 - Analog Devices Inc. EVAL-CN0422-EBZ回路評価ボード
公開: 2019-10-30 | 更新済み: 2024-04-26