Analog Devices Inc. USB 3.0クワッドチャンネルIEPE振動センサ
Analog Devices Inc. EVAL-CN0582-USBZ USB 3.0クワッドチャンネルIEPE振動センサ・システム・ボードは、アナログ(IEPE)のデータを読み取ります。アナログIEPE入力は、外部電源と個々のチャンネルのオフセット電圧設定を必要とするセンサ用の電流源スイッチを含むことができます。センサデータの読み取りとは別には、このボードは、刺激として外部振動シェーカーに可変振幅と周波数正弦波信号を送信できます。この機能によってこのボードは、外部シェーカーに信号を送信し、搭載されているセンサからデータを測定し、閉帰還ループを形成できます。特徴
- CN0582の評価用
- 4チャンネル同時データアクイジション
- オンボードIEPEによる励起
- 信号発生器
- シングル・トーンまたはリニアスイープ
- 電子ループバックテスト
- シェーカーテーブルによる励起
- CN0582評価ソフトウェア
- システム構成
- グラフィックディスプレイ
- ファイルのエクスポート(データアクイジション、振動テスト)
- IEPE入力チャンネルのオフセット設定
仕様
- アナログ入力
- IEPE
- フルスケール 0.1mV~10V
- 最大バイアス:13VDC
- 4mAの標準電流源
- 4mA ~ 20mA (CH3)
- 抵抗 24Ω
- 0.25W電力
- -87dB標準THD + N (-84dB maximum)、1kHz時に3.3Vp-p
- 99dB (標準) SNR: 20Hz、10Vp-p ~ 20kHzで
- 1%エラー・エラー・精度エラー(> 100mVで)
- IEPE
- 電力要件
- 入力範囲 4.5V~6V、標準5V
- 入力電流範囲 500mA~600mA
ビデオ
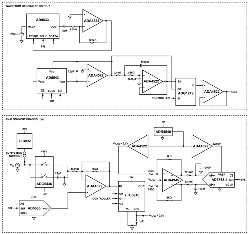
システムブロック図
公開: 2022-12-05
| 更新済み: 2024-01-04
