Analog Devices Inc. EVAL-LT7170評価用ボード
Analog Devices Inc. EVAL-LT7170 評価ボードは、LT7170/LT7170-1 モノリシックDC/DC同期整流式降圧レギュレータを評価するために設計されています。 これらの評価ボードは、スイッチング周波数を1MHzに設定した1V出力に最適です。 EVAL-LT7170ボードは、伝導EMI性能および放射EMI性能を改善するためにEMIフィルタを搭載しています。この評価ボードはシリアルバス通信を必要とせずにNVM設定に基づいて電力を生成するため、DC/DCコンバータを簡単に評価できます。EVAL-LT7170ボードは、20Aの最大連続負荷電流、2.9V〜16Vの入力電圧範囲、0.925MHz〜1.075MHzのスイッチング周波数範囲を特徴としています。特徴
- LT7170/LT7170-1 モノリシックDC/DC同期整流式降圧レギュレータを評価
- デフォルト出力電圧:1V
- 入力電圧範囲2.9V~16V
- 最大連続出力電流:20A
- スイッチング周波数範囲:0.925MHz~1.075MHz
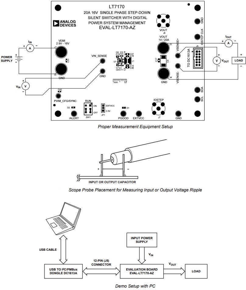
評価ボードのセットアップ
性能グラフ
データシート
公開: 2024-07-15
| 更新済み: 2024-07-29
