Analog Devices Inc. EVAL-LT7171評価ボード
Analog Devices Inc. EVAL-LT7171 評価ボードは、LT7171/LT7171-1 モノリシック PolyPhase DC/DC同期整流式降圧レギュレータを評価するために設計されています。 これらの評価ボードは、スイッチング周波数を1MHzに設定した1V出力に最適です。EVAL-LT7171ボードは、2.9V〜16Vの入力電圧範囲、40Aの最大連続出力電流、1Vのデフォルト出力電圧を特徴としています。これらの評価ボードはデフォルト設定まで動作し、シリアルバス通信なしでNVM設定に基づいて電力を生成します。特徴
- LT7171/LT7171-1 モノリシック PolyPhase DC/DC同期整流式降圧レギュレータ
- デフォルト出力電圧:1V
- スイッチング周波数範囲:0.925MHz~1.075MHz
- 最大連続出力電流:40A
- 入力電圧範囲:2.9V~16V
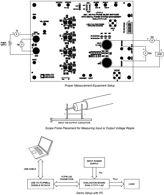
評価ボードのセットアップ
性能グラフ
データシート
公開: 2024-07-15
| 更新済み: 2024-07-29
