Analog Devices Inc. EVAL-LTC3313EV-A-Z評価ボード
Analog Devices Inc. EVAL-LTC3313EV-A-Z評価用ボードは、2MHzのスイッチング周波数での強制連続モードで動作するように設計されています。この評価用ボードは、出力1.2V、15Aの降圧レギュレータとして動作する同期整流式降圧Silent Switcher®であるLTC3313を搭載しています。EVAL-LTC3313EV-A-Zボードは、別のスイッチング周波数やパルススキッピング・モードで動作(するように構成することも)できます。また、MODE/SYNCタレットをEVAL-LTC3313EV-A-Zのデフォルト設定で使用して、ターゲットデバイスのLTC3313発振器を外部クロックと同期することもできます。この評価用ボードには、入力電圧をVIN EMI端子に印加して使用するEMIフィルタもあり、伝導EMIを低減できます。LTC3313は、固定周波数、電流モード制御式のモノリシック降圧DC/DCコンバータです。このDC/DCコンバータは、0.5V~入力電圧(VIN)までの出力電圧(VOUT)をサポートし、動作周波数範囲は500kHz~5MHzです。このDC/DCコンバータには、高速電流ループを最適化することによってEMIおよびEMCの放射を最小限に抑えることができるSilent Switcher技術を採用しています。
特徴
- 負荷過渡評価用に搭載されている過渡回路
- EMI放射試験でノイズを低減するためにEMIフィルタを搭載
- パルススキッピング・モード評価用のMODEピンのプルアップ・オプション
仕様
- 入力電圧範囲:2.25V~5.5V
- 出力電圧範囲 1.176V~1.224V
- 15A出力電流
- 1.8MHz~2.2MHzスイッチング周波数範囲
- 効率性92.5%
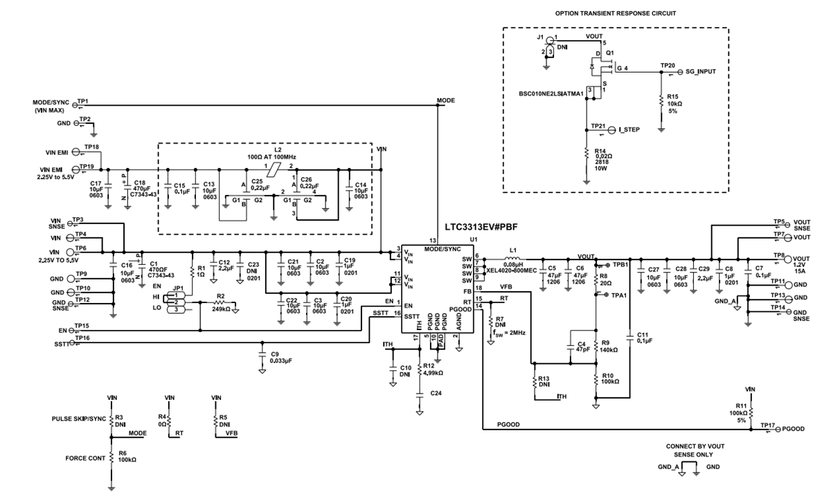
スキーム図
その他の資料
公開: 2023-03-05
| 更新済み: 2023-03-07
