Analog Devices Inc. EVAL-LTC7892-BZ評価ボード
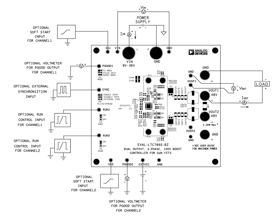
Analog DevicesEVAL-LTC7892-BZ評価ボードは、LTC7892GaN FET コントローラのデモ用に設計されています。LTC7892は100VGaN FET で最適化されており、9V~36Vの入力範囲を500kHzで動作します。EVAL-LTC7892-BZは、内部で最適化されたブートストラップ・スイッチとアダプティブ・タイム・コントロールにより、1.4kWの電力レベルまで安全かつ効率的にGaN FETを駆動するために特別に開発されました。さらに、低 IQ、最大3MHzプログラマブル/同期可能なスイッチング周波数、スペクトラム拡散、および小型40リード(6mmx6mm) サイド・ウェッタブル QFN パッケージを特徴としています。ADIEVAL-LTC7892-BZは、48V出力をレンダリングするための高性能でコスト効率の高いソリューションを提供し、1.2V~90Vまでの出力電圧を調整するように簡単に変更できます。
特徴
- 完全に最適化されたGaNドライブテクノロジーGaN FET
- 出力電圧最大100V
- 4V~60Vの広いVIN 範囲、起動後は1Vまで動作します。
- キャッチ、クランプ、あるいはブートストラップダイオードが不要
- 上側(ハイサイド)ドライバ電源のオーバーチャージ(過充電)を防止する内部スマートブートストラップスイッチ
- 抵抗によるデッドタイムの調整
- 低 い動作IQ:15μA
- ターンONおよびターンOFFドライバの強度調整を実現するための分割出力ゲートドライバ
- ドライバ電圧とUVLOの精密な調整が可能
- プログラム可能な周波数(100kHz~3MHz)
- 同期可能な周波数(100kHz~3MHz)
- スペクトラム拡散周波数変調
- 40リード(6mmx6mm)、側面ウェッタブル、QFNパッケージ
- 車載アプリケーション向けAEC-Q100認定
アプリケーション
- 自動車および産業用パワーシステム
- 防衛航空電子工学と医療システム
- テレコミュニケーション電源システム
リソース
ボード接続
レイアウト
公開: 2025-01-29
| 更新済み: 2025-03-11
