Analog Devices Inc. EVAL-LTPA-KIT研究ツール
Analog Devices Inc. EVAL-LTPA-KITラボツールまたは LTpowerAnalyzerキットは、電源設計の評価および特性評価に使用します。このツールは、 ボディ応答、過渡応答、出力インピーダンスを測定できます。EVAL-LTPA-KITツールは、ADALM2000ラーニングモジュールの機能と組み合わされており、高いポータブル性が備わっています。このツールは、過渡測定を目的として1A 、10A、50A、100A電流プローブのバリエーションで構成されています。EVAL-LTPA-KITツールには、ベースボード、インターポーザボード、LT8642Aデモボード、コネクタソケットが含まれています。このLTパワーアナライザーは、研究所の計測アプリケーションに最適です。特徴
- 研究所計測用に設計
- ボード応答、過渡応答、出力インピーダンスを測定
- 高い携帯性を提供
- USB駆動デバイス
- ADALM2000モジュールとの互換性あり
- ハードウェアとソフトウェアを対象とした使いやすいインターフェイスとドキュメンテーションが装備されており、電源設計の簡単な評価が可能
- 各電流プローブは、静止空気中で最大8WのDC負荷として使用可能
キット内容
- EVAL-LTPA-KITベースボード
- LT8642Aデモボード
- インターポーザボード
- インターフェイスAボード
- インターフェイスBボード(5個)
- インターフェイスCボード
- コネクタソケット(2個)
- 2インチ16ピン・リボンケーブル
- 8インチ14ピン・リボンケーブル
- 電流プローブ
- 1A電流プローブ
- 10A電流プローブ
- 50A電流プローブ
- 100A電流プローブ
ビデオ
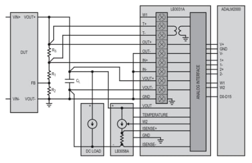
ブロック図
公開: 2025-01-29
| 更新済み: 2025-12-03
