Analog Devices Inc. HMC1096周波数逓倍器
Analog Devices HMC1096は、x2アクティブブロードバンド周波数逓倍器で、GaAs pHEMT技術を使用して開発されています。 低応力、射出成形プラスチックSMTパッケージに収められたHMC1096周波数マルチプレクサは、DCブロックI/Oが特徴です。 0dBm信号で駆動すると、HMC1096周波数逓倍器は、3.8~5.6GHzで+12dBm標準出力電力を供給します。 HMC1096のFoおよび3 Fo絶縁によって、出力信号レベルに対して22dBcが実現しています。 この周波数逓倍器は、ポイントツーポイントおよびVSATラジオ用のLO乗算器チェーンでの使用に理想的です。特徴
- 12dBm output power
- -2 to +5dBm input power drive
- +22dBc Fo, 3 Fo isolation
- +5V @ 100mA single supply
- 16-lead 3mm x 3mm SMT package
- 1.9GHz to 2.8GHz input frequency range
- 3.8GHz to 5.6GHz output frequency range
- 12dB input return loss
- 8dB output return loss
アプリケーション
- Point-to-point and VSAT radios
- Test instrumentation
- Military and space
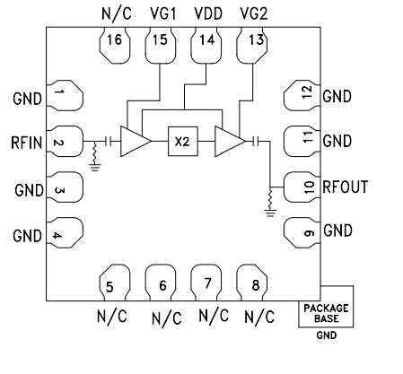
Functional Diagram
公開: 2017-01-11
| 更新済み: 2022-03-11
