Analog Devices Inc. HMC3716 HBTデジタル位相周波数検出器
Analog Devices HMC3716 HBTデジタル位相周波数検出器は、10~1300MHzで動作し、低位相ノイズシンセサイザアプリケーション用に設計されています。 HMC371検出器には、周波数動作および-153dBc/Hz @ 10kHzオフセット@ 100MHzの超低位相ノイズフロアも備わっています。 これらの性能の特徴によって、幅広いループ帯域幅と低Nのシンセサイザが可能になり、高速スイッチングと非常に低い位相ノイズを提供します。 差動ループアンプと併用すると、HMC3716LP4Eは、設計者がリファレンス発振器にVCRを位相ロックするために使用できる出力電圧を生成します。 HMC3716は、露出したグランドパドルがある24ピン4 x 4mmリードレスQFN表面実装パッケージに格納されており、RFおよび熱性能を改善できます。 HMC3716 HBTデジタル位相周波数検出器は、ポイントツーポイント無線、衛星通信システム、軍事アプリケーション、ソネットクロック生成に良く適しています。HMC3716 is housed in a 24-pin, 4mm x 4mm leadless QFN surface-mount package with an exposed ground paddle to improve RF and thermal performance.
特徴
- Ultra-low SSB Phase Noise Floor
- -153dBc/Hz @ 10kHz offset @ 100MHz
- Integrated Output Resistors
- Improved Input Sensitivity
- Lock Detect and Invert Functionality
- 24-Pin 4 x 4mm SMT Package
アプリケーション
- Point-to-Point Radios
- Satellite Communication Systems
- Military Applications
- Sonet Clock Generation
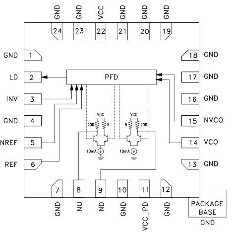
Functional Block Diagram
公開: 2016-09-30
| 更新済み: 2022-03-11
