Analog Devices Inc. HMC425A 6ビット・デジタル正電圧制御アッテネータ
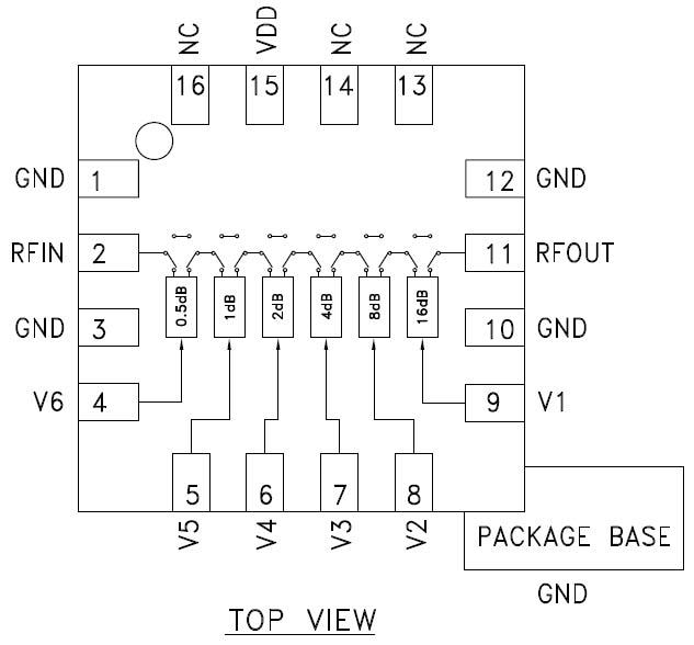
Analog Devices HMC425Aは、広帯域6ビットGaAs ICデジタル正電圧制御アッテネータとして設計されています。HMC425Aは、2.2GHz~8.0GHzをカバーし、挿入損失は代表値で4.5dB未満です。アッテネータのビット値は 0.5dB(LSB)、1dB、2dB、4dB、8dB、および16dB で、合計減衰量は31.5dB です。HMC425Aの減衰精度はステップ誤差が±0.5dB(代表値)と優れており、IIP3は+40dBmです。6つの制御電圧入力を0Vと+3V~+5Vの間で切り替えることにより、各減衰状態を選択します。特徴
- 31.5dBに対して0.5dBのLSBステップ
- ビットごとに1本の制御ライン
- ビット誤差: ±0.5dB(typ)
- +5V単電源
- 3x3mm SMTパッケージ
アプリケーション
- WLANとポイント・ツー・マルチポイント
- 光ファイバとブロードバンドテレコム
- マイクロ波無線およびVSAT
- 軍事関連
機能ブロック図
公開: 2017-07-25
| 更新済み: 2022-04-18
