特徴
- Low RMS phase error 1.5°
- Low insertion loss 4dB
- High linearity +50dBm
- Positive control logic
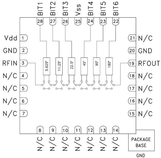
- 360° coverage, LSB = 5.625°
- 28 lead QFN leadless SMT package 36mm²
アプリケーション
- EW receivers
- Weather radars
- Military radars
- Satellite communications
- Beamforming modules
- Phase cancellation
Functional Diagram
Related Accessory
公開: 2016-07-28
| 更新済み: 2022-03-11

