特徴
- Low RMS phase error 1.2°
- Low insertion loss 5dB
- High linearity +45dBm
- Positive control logic
- 360° coverage, LSB = 5.625°
- 28 lead 6mm x 6mm SMT package 36mm²
アプリケーション
- EW receivers
- Weather and military radar
- Satellite communications
- Beamforming modules
- Phase cancellation
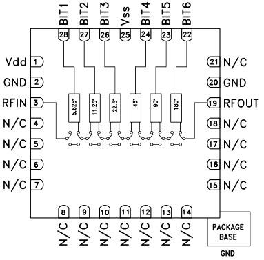
Functional Diagram
公開: 2016-07-28
| 更新済み: 2022-03-11

