Analog Devices Inc. HMC8362/HMC8364低ノイズクワッドバンドVCO
Analog Devices Inc. HMC8362/HMC8364低ノイズ・クワッドバンド電圧制御発振器(VCO)は、位相ノイズ性能を犠牲にすることなく広帯域機能を提供するように設計されています。HMC8362/HMC8364 VCOには、周波数帯域が重複している4つの独立したナローバンドVCOが集積されており、11.90GHz〜18.30GHz(HMC8362)または18.10GHz〜26.60GHz(HMC8364)の基本周波数範囲で動作します。すべての周波数帯域を網羅する一貫したチューニング感度によって、シンセサイザ・ループ・フィルタの設計が簡素化されます。チューニング・ポートは、フェーズ・ロック・ループ(PLL)帰還経路のさらにシンプルな設計を目的に、すべてのVCOコアに共通しています。HMC8364は、電力が重視されるアプリケーションを対象とした99mAという小標準電流消費にも対応しています。対照的にHMC8362は、電力が重視アプリケーションを対象とした72mAという小標準電流消費を実現しています。
ADI HMC8362/HMC8364 VCOには、共振器、負抵抗デバイス、バラクタダイオードが集積されています。発振器のモノリシック構造によって、非常に低い位相ノイズ、最適な温度安定性が可能になり、振動とプロセス変動の影響を受けません。
HMC836x VCOは、シングル、6mm × 6mm表面実装リードフレーム、チップスケールパッケージ(LFCSP)に格納されており、外部整合コンポーネントを必要としません。
特徴
- 周波数に対する感度が一貫している4つの狭帯域VCO
- すべての4つのVCOに共通のRFとチューニング・ポート
- サブ高調波振動のない基本的な発振器からのRF出力
- 最大+4dBm RF出力電力
- 電力ミュート機能
- 外付け共振器不要
- 40ピンの6mm × 6mm LFCSP
アプリケーション
- テスト装置および計測
- 工業および医療用計器
- ポイントtoポイント/マルチポイント無線
- 航空宇宙および防衛
- 通信無線インフラストラクチャ
その他の資料
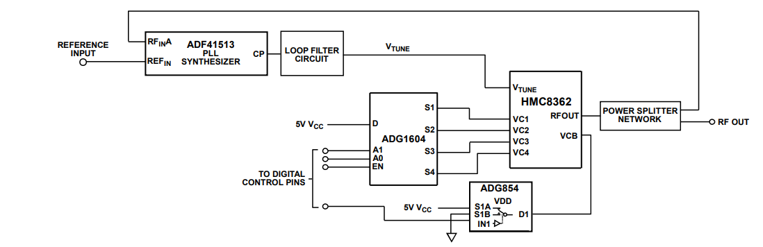
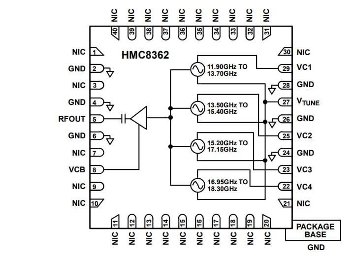
HMC8362のブロック図
HMC8364のブロック図
標準的なアプリケーション図
公開: 2020-11-04
| 更新済み: 2024-12-03
