Analog Devices Inc. HMC952ALP5GE RFアンプ
Analog Devices HMC952ALP5GEは、4段GaAs pHEMT MMIC 中電力アンプとして設計されています。 HMC952ALP5GEアンプは、8~14GHzで動作する温度補償済のオンチップパワー検出器が特徴です。 HMC952ALP5GEのRF入力/出力は、内部で50Ωに整合されています。+6V電源で動作するHMC952ALP5GEアンプは、高ゲイン32dBおよび26% PAEでの+34.5dBm飽和出力電力を実現しています。 最大+43dBm IP3が備わっているHMC952ALP5GEは、+34.5dBmの効率的な飽和出力電力を必要とするポイント・ツー・ポイントおよびポイント・ツー・マルチポイント無線またはSATComアプリケーションといったリニアアプリケーションに最適です。特徴
- +35 dBm psat @ 26% PAe
- High P1dB output power: +34dBm
- High Gain: 32dB
- High output IP3: +43dBm
- Supply voltage: Vdd = +6V @ 1400mA
- 50Ω matched input/output
アプリケーション
- Point-to-point radios
- Point-to-multipoint radios
- SATCOM
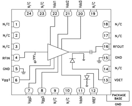
Block Diagram
公開: 2016-12-02
| 更新済み: 2022-03-11
