Analog Devices Inc. LT1999双方向電流センスアンプ
Analog Devices LT1999双方向電流センスアンプは、広いコモンモード範囲全体で双方向電流を監視するように設計されています。このデバイスは、3つのゲインオプション(10V/V、20V/V、50V/V)で販売されています。LT1999は、外部抵抗シャント経由で電流のセンシングを行い、センシングされた電流の大きさと方向の両方を示す出力電圧を発生させます。出力電圧は、供給電圧と接地の中間を基準としているか、外部電圧を使用してリファレンスレベルを設定できます。2MHz帯域幅および–5V~80Vのコモンモード入力範囲が備わっているLT1999は、Hブリッジモータ制御、スイッチング電源、ソレノイド電流、フル充電から空乏までのバッテリ充電電流での電流の監視に適しています。特徴
- 3つのゲインオプションが備わっているバッファ済出力: 10V/V、20V/V、50V/V
- 0.5%最高ゲイン精度
- –5V~80V入力コモンモード電圧範囲
- AC CMRR > 80dB @ 100kHz
- 1.5mV最高入力オフセット電圧
- 2MHz–3dB帯域幅
- コモンモード範囲全体でのスムーズで連続的な動作
- 4kV HBM耐性および1kV CDM耐性
- < 10µA低消費電力シャットダウン
- –55°C~150°C動作温度範囲
- 8リードMSOPおよび8リードSO(ナロー)パッケージ
- FMEA用に設計された8リードMSOPピン配列オプション
- 車載アプリケーション向けAEC-Q101認定
アプリケーション
- ハイサイドまたはローサイド電流センシング
- Hブリッジモータ制御
- ソレノイド電流センス
- 高電圧データ収集
- PWM制御ループ
- ヒューズ/MOSFET監視
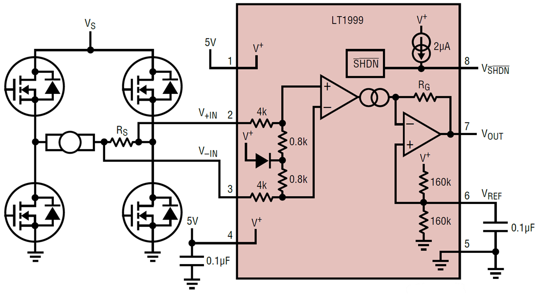
代表的なアプリケーション
公開: 2019-11-12
| 更新済み: 2024-03-06
