Analog Devices Inc. LT3942同期バックブーストコンバータ
Analog Devices Inc. LT3942同期バックブーストコンバータは、モノリシック4スイッチ同期バックブーストLEDドライバです。ドライバは、出力電圧以上、以下、同等の入力電圧をともなって最高34VまでのLEDストリング電流の安定化を図ることができます。独自のピークバック・ピークブースト電流モード制御スキームによって、調整可能かつ同期可能300kHz~2MHz固定周波数動作、または低EMIのための内部25%三角形スペクトラム拡散動作が可能になります。3V~36V入力、0V~36V出力、動作領域間のシームレスな低ノイズ移行が備わっているLT3942は、車載、産業、バッテリ駆動システムでのLEDドライバアプリケーションに最適です。LT3942は、最大128:1の内部および5000:1の外部PWM調光が備わったLED電流の安定化を実現しており、オプションの高圧側PMOSスイッチが採用されています。CTRLピンは、100mVフルスケールで±2.5%のLED電流安定化が備わった、柔軟性に富んだ20:1アナログ調光を実現しています。堅牢な障害保護によって、LT3942の再試行、ラッチオフ、または実行中のオープンあるいはショートLED状態が検出されます。
特徴
- 4スイッチシングルインダクタアーキテクチャによって、VIN上、下または同等VOUTが可能
- 独自のピークバックピークブースト電流モード
- 3V~36V入力電圧範囲
- 0V~36V出力電圧範囲
- ±1.5%出力電圧範囲
- ±3% LED電流安定化
- 5000:1外部および128:1内蔵PWM調光
- レール・ツー・レールLED電流センスとモニタ出力
- 障害報告を伴うオープン/ショートLED保護
- 外部周波数同期が備わっている300kHz~2MHz固定スイッチング周波数
- 低EMI用フリッカーフリースペクトラム拡散
- 28リードQFN (4mm×5mm) でご用意あり
アプリケーション
- 汎用LEDドライバ
- 車載および工業用照明
- 正確な電流制限が備わった電圧レギュレータ
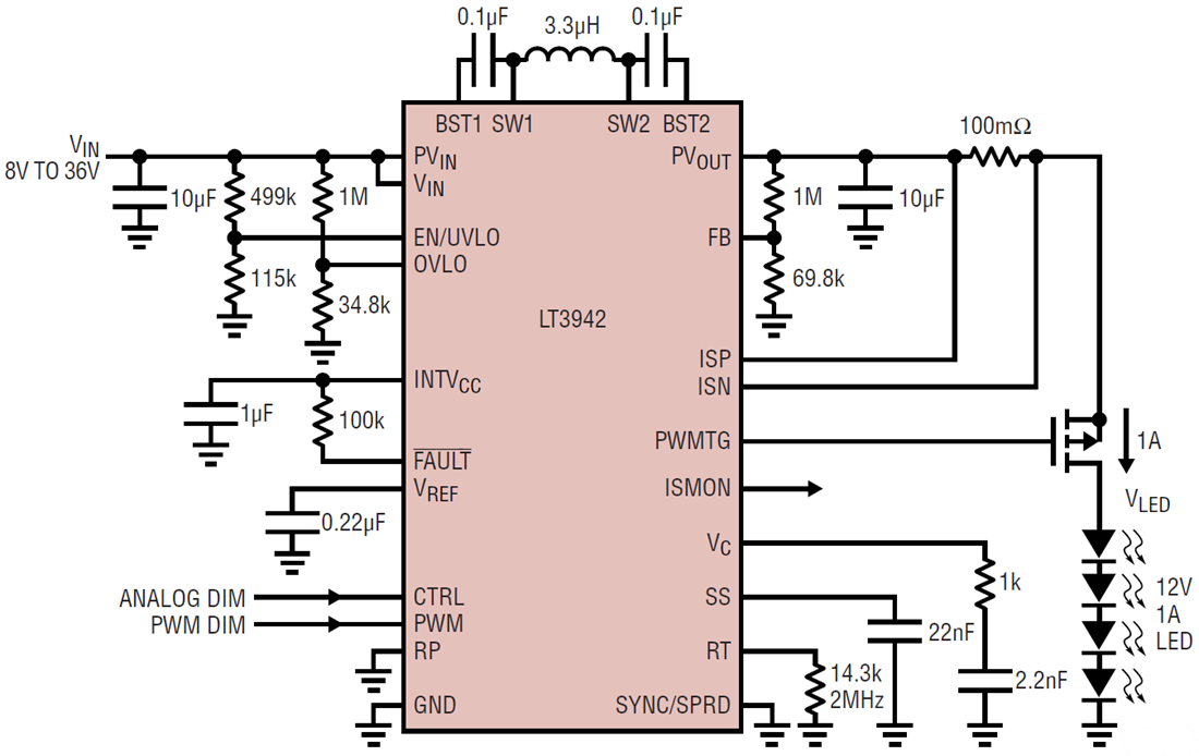
標準アプリケーション
公開: 2019-11-07
| 更新済み: 2024-03-04
