LT5401整合レジスタネットワークを使用して、整合比による差動または差動ゲインを構成でき、ディスクリート受動部品での達成が極めて困難なレベルの高CMRR、低ゲイン誤差、低ゲインドリフトを保証します。この高レベルの精度によって数多くのアプリケーションでの較正要件が削減され、±0.01%ディスクリートソリューションより10倍高い性能が実現しています。
LT5401は、露出パドルが備わったコンパクトな10リードMSOPパッケージでご用意があります。これは、–55°C~150°Cの温度範囲全体での熱性能の向上を目的としています。
特徴
- 完全差動および差動アンプとの併用を目的に最適化
- 優れた整合性
- ±0.003%レジスタ比整合(最大)
- 96.5dB CMRR(最小)
- ±25ppmゲイン誤差(最大)
- ±0.5ppm/°C整合温度ドリフト(最高)
- 8ppm/°C絶対レジスタ値温度ドリフト
- 35V動作電圧(最高±36V Abs)
- 長期安定性: 6500時間で<8ppm
- ESDが保護された入力
- –55°C~150°C動作温度
- 10ピンMSOPパッケージ
アプリケーション
- 完全差動アンプ
- 差動アンプ
- リファレンス分周器
- 精密な加算/減算
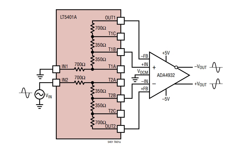
代表的なアプリケーション
公開: 2019-12-02
| 更新済み: 2024-02-28

