Analog Devices Inc. LT6372-0.2/1計装アンプ
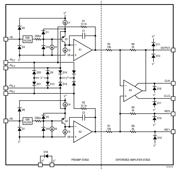
Analog Devices Inc. LT6372-0.2/1計装アンプは、レベルシフトと出力クランピングを活用した利得プログラマブルおよび高精度のファンリング・デバイスです。これらの高精度アンプは、とりわけ温度全域で送信される信号をさらに小さくし、キャリブレーション要件を緩和できます。LT6372-0.2/1アンプは、LT6370に機能を組み込んでおり、精度をさらに向上させADCへのインターフェイス接続を簡素化します。これらの計装アンプには、比類のない長期安定性と組み合わされた業界を代表する精度を実現できる、独自の高性能バイポーラプロセスが使用されています。LT6372-0.2/1アンプは、非常に低い入力オフセット電圧(60µV)および高CMRR(80dB、G=0.2)向けにレーザートリミングされています。LT6372-0.2/1計装アンプは、集積入力RFIフィルタ、出力クランプ、 出力レベルシフトが特徴です。これらの出力クランプピンは、ADCの入力に印加できる電圧を制限します。EMIフィルタリングは、LT6372-0.2/1の入力に集積されており、過酷なRF干渉の存在の下での精度を維持できます。
LT6372-0.2/1計装アンプは、コンパクトなMS16Eおよび20ピン3mm × 4mm QFNパッケージでご用意があります。これらの計装アンプは、-40°C~85°Cおよび-40°C~125°Cの温度範囲に完全指定されています。代表的なアプリケーションには、ブリッジアンプ、データアクイジション、熱電対アンプ、歪みゲージアンプ、医療機器、トランスデューサ・インターフェイスがあります。
特徴
- G=0.2 ~ >200単一利得セット抵抗器
- 優れたDC精度:
- 60μV最高入力オフセット電圧
- 0.6μV/°C最高入力オフセット電圧ドリフト
- 0.012%最高(G=0.2)低利得誤差
- 35ppm/°C最高(G>0.2)低利得ドリフト
- 80dB最小(G=0.2)高DCコモンモード除去比(CMRR)
- 集積出力クランプ
- 集積出力レベルシフト
- 800pA最大入力バイアス電流
- 4MHz -3dB帯域幅 (G=0.2)
- 低ノイズ:
- 0.1Hz~10Hzノイズ: 0.2μVP-P
- 1kHz電圧ノイズ: 7nV/√Hz
- 集積入力無線周波数干渉(RFI)フィルタ
- 4.75V~35Vワイド電源範囲
- -40°C~85°Cおよび-40°C~125°C温度範囲
- MS16Eおよび20リード3mm x 4mm QFNパッケージ
アプリケーション
- ブリッジアンプ
- データ収集
- 熱電対アンプ
- 歪みゲージアンプ
- 医療用計測機器
- トランスデューサのインターフェイス
- 差動からシングルエンドへの変換
ブロック図
アプリケーション回路
公開: 2021-01-12
| 更新済み: 2022-03-11
