Analog Devices Inc. LT6375電圧差動アンプ
Linear Technology / Analog Devices LT6375電圧差動アンプは、ユニティゲイン差動アンプで、DC精度、高入力コモン・モード範囲、広い供給電圧範囲が組み合わされています。これらのアンプには、Over-The-Top®保護入力が搭載されている高精度オペアンプが備わっており、予期しない状態の環境での堅牢な動作が実現します。LT6375アンプは、優れたコモン・モード除去比(CMRR)、低ゲイン誤差、高度整合薄膜レジスタ、低ゲイン・ドリフトが特徴です。一般的なアプリケーションには、産業用データ収集フロントエンド、高精度差動アンプ、絶縁回路の代替品、高電圧対低電圧変換があります。特徴
- ±270Vコモンモード電圧範囲
- 97dB最小CMRR(LT6375A)
- 0.0035%(35ppm)最大ゲイン誤差(LT6375A)
- 300µV最大オフセット電圧(LT6375A)
- 1ppm/°C最大ゲイン誤差ドリフト
- 2ppm最大ゲイン非直線性
- 3.3V~50Vという広い供給電圧範囲
- -40°C~125°C指定温度範囲
- レール・ツー・レール出力
- 350µA供給電流
- 選択可能な内部抵抗分圧比
- 575kHzおよび-3dB帯域幅(抵抗分圧器= 7)
- 375kHzおよび-3dB帯域幅(抵抗分圧器= 20)
- 20μA低消費電力シャットダウン(DFNパッケージのみ)
- 省スペースMSOPおよびDFNパッケージ
アプリケーション
- 産業用データ収集フロントエンド
- 高精度差動アンプ
- 双方向の広いコモンモード範囲電流センシング
- ハイサイドまたはローサイド電流センシング
- 絶縁回路の交換用
- 高電圧対低電圧のレベル変換
標準アプリケーション回路
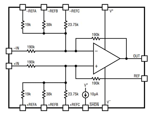
ブロック図
公開: 2018-10-04
| 更新済み: 2023-02-24
