LT8386は、EMI/EMCエミッションを最小限に抑えるように設計されたSilent Switcher®技術が特徴で、高い効率性が備わっています。スイッチング周波数は、RTピンで外部抵抗器を使用して、あるいはSYNC/SPDピンで適用される外部クロックによって、200kHz~2MHzの間でプログラミングできます。オプションのスペクトラム拡散周波数変調を有効にすると、EMIを減少させるために周波数は100%~125%の間で変化します。
Analog Devices LT8386には、PWM調光のための外部高圧側PMOS用のドライバが搭載されています。LT8386は60Vに定格されており、LT3922およびLT3922-1とのピン対ピン互換性があります。
特徴
- 2% LED電流レギュレーション
- 2.5%出力電圧レギュレーション
- 100Hzで50,000:1 PWM調光
- 512:1内部PWM調光
- スペクトラム拡散周波数変調
- 超低EMIのためのSilent Switcherアーキテクチャ
- ブースト、バックモード、バックブースト・モードでの動作
- 4V~56V入力電圧範囲
- 最高52VまでのLEDストリング電圧
- 低VINを目的とした最大5Aまでの適応型ピークスイッチ電流制限
- 200kHz~2MHz(同期機能を使用時)
- アナログまたはデューティサイクルLED電流制御
- オープン/ショートLED保護と故障表示
- 小型28リード4mm×5mm LQFNパッケージ
- 車載アプリケーション向けAEC-Q100認定
アプリケーション
- 車載および産業用照明
- ヘッド・アップ・ディスプレイ(HUD)/マシンビジョン
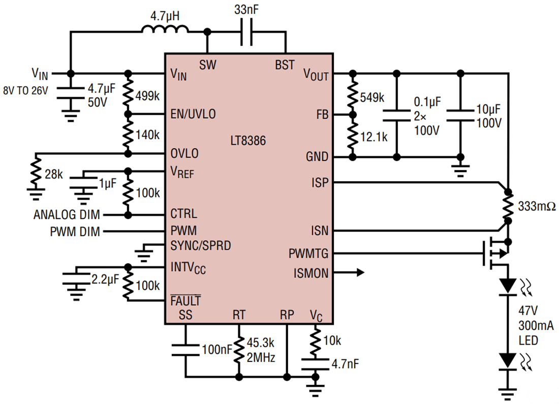
代表的なアプリケーション
公開: 2021-07-09
| 更新済み: 2022-03-11

