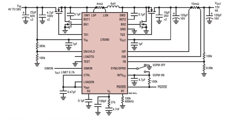
このコントローラには、4V~60Vの入力電圧範囲、0V~60Vの出力電圧能力、動作領域間でのシームレスな低ノイズ動作が備わっています。LT8390コントローラは、電圧レギュレータ、自動車、産業、テレコム、バッテリ駆動システムでのバッテリおよびスーパーキャパシタ充電器アプリケーションに最適です。
特徴
- 4スイッチシングルインダクタアーキテクチャによって、VIN上、下または同等VOUTが可能
- 同期スイッチング: 最大98%の効率性
- 独自のピークバックピークブースト電流モード
- 広いVIN範囲: 4V~60V
- ±1.5%出力電圧精度: 1V ≤ VOUT ≤ 60V
- モニタでの±3%入力または出力電流精度
- 低EMI用のスペクトラム拡散周波数変調
- ハイサイドPMOS負荷スイッチドライバ
- ブートストラップダイオード内蔵
- バックまたはブーストでのトップMOSFETリフレッシュノイズなし
- 調整可能かつ同期可能: 150kHz~650kHz
- シャットダウン時にVOUTをVINから切断済
- 露出パッド付き28リードTSSOPおよび
- 28リードQF(4mm × 5mm)
アプリケーション
- 自動車、産業、テレコムシステム
- 高電力バッテリ駆動システム
代表的なアプリケーション
Technical Articles
Eliminate Switching Noise with 4-Switch Buck-Boost Controller with Pass-Thru Capability
There are several DC-to-DC converter topologies that can perform both step-up and step-down operations, from SEPIC to 4-switch topologies, but none of these solutions pass the input voltage directly to the output without actively switching - until now, that is.
4-Switch Buck-Boost Controller Layout for Low Emissions
Automotive application circuits must meet strict EMI standards to avoid interfering with broadcast and mobile service frequency bands so careful layout is imperative.
Power by Linear
公開: 2017-04-28
| 更新済み: 2024-01-12

