Analog Devices Inc. LT8630同期降圧型スイッチングレギュレータ
Linear Technology / Analog Devices Inc.内部同期スイッチが搭載されたLT®8630電流モードPWM降圧DC/DCコンバータは、最大0.6A出力負荷の電流を提供します。このコンポーネントには、3V~100Vの広い入力範囲があります。このデバイスは、自動車および産業システム、36V~72Vのテレコム機器を始めとする、多種多様な電源から電力の安定化を図ります。LT8630は、20ピンTSSOPでご用意があり、熱抵抗および高電圧用のピンのスペーシングのためにパッドが露出されています。可変周波数境界モードスイッチングによって、広範な入力電圧範囲全体での効率性を最大限に高めています。低リップルバーストモード動作によって、出力リップルを5mV以下に抑えつつ、効率性の高い動作が非常に低い出力電流まで可能です。ソフトスタート機能は出力電圧のランプ速度を制御し、出力追跡を実現しながら起動時に入力電流サージを排除します。出力電圧が安定化出力の±7.5%以内でパワーグッド信号 不足電圧ロックアウトは、EN/UVピンを使用してプログラミングできます。シャットダウンモードは、全体的な自己消費電流を5μA未満に低減します。
特徴
- 極めて広い入力電圧範囲: 3V~100V
- 最高の効率のための境界モード切替
- 出力電圧範囲: 0.8V~60V
- 内部同期スイッチ
- バーストモード®動作: 16µA IQ@12VIN~5VOUT; 7µA IQ、48VIN~5VOUT
- 低ドロップアウト: 99%最大デューティサイクル
- ピーク電流モード制御
- プログラム可能な不足電圧ロックアウト
- パワーグッドフラグ
- フレキシブル出力電圧トラッキング
- 短絡保護
- 低シャットダウン時電流: 5µA
- ピンオープン/ショートフォールトを許容
- 高電圧用のピンのスペーシングで熱特性が改善された20ピンTSSOP
アプリケーション
- 車載用電源
- テレコム用サプライ
- 分散電源レギュレーション
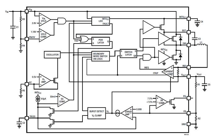
ブロック図
公開: 2017-04-25
| 更新済み: 2025-01-29
