Analog Devices Inc. LT8650S同期降圧型Silent Switcher 2
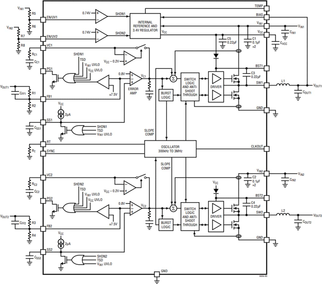
Analog Devices Inc. LT8650S同期降圧型Silent Switcher 2は、デュアル降圧型レギュレータで、3V~42Vの広い入力電圧範囲が備わっており、車載、産業、およびその他の降圧型アプリケーションに最適です。LT8650Sは、6.2μAという低自己消費電流が特徴で、安定化における出力、車が動いていなくてもバッテリを消耗させる場合がある車載環境における重要な機能が備わっています。LT8650SのSilent Switcher®2アーキテクチャによって、高スイッチング周波数での高効率を実現しながら、EMI放出が最小限に抑えられます。これには、高周波数電流ループを最適化するためのバイパス・コンデンサの一体化が含まれており、レイアウトの敏感性をなくすことによってアドバタイジングされたEMI性能を簡単に達成できるようになります。LT8650Sは、両方のチャンネルから最大4A連続電流を供給し、各チャンネルから最大6Aの負荷に対応しています。高速でクリーンな低オーバーシュート・スイッチング・エッジによって、高スイッチング周波数であっても効率的な動作が実現し、全体的なソリューションサイズの小型化につながります。最小40nsオンタイムのピーク電流モード制御によって、高スイッチング周波数での高降圧型比が実現します。
バーストモード動作の結果として低出力電流であっても高い効率性がもたらされ、強制連続モードによって全体的な出力負荷範囲で固定スイッチング周波数動作が実現し、拡散スペクトラム動作によってEMI排出をさらに抑制できます。外部VCピンによって、高速過渡応答のための最適なループ補償が実現します。また、電流共有にVCピンを使用することもでき、CLKOUTピンによってLT8650Sチップ2つの同期が実現し、4相16A供給を発生させることが可能になります。
特徴
- Silent Switcher 2アーキテクチャ
- すべてのPCB上での超低EMIによって、PCBレイアウトの敏感性を排除
- 内部バイパスコンデンサによって放射EMIを削減
- オプションのスペクトラム拡散変調
- 各チャネルから同時に4A DC
- いずれかのチャンネルで最大6A
- 超低自己消費電流BurstMode®オプション
- 6.2μA IQ安定化12VIN~5VOUT1および3.3VOUT2
- 出力リップル<10mVP-P
- オプションの外部VCピン: 高速過渡応答および電流共有(さらなる50µA IQ/チャンネル)
- 強制連続モード
- 高周波数での高い効率性
- 94.6%の効率性@ 2A、2MHzで5VOUT~12VIN
- 93.3%の効率性@ 4A、2MHzで5VOUT~12VIN
- 高速最小スイッチ・オンタイム: 40ns
- 広い入力電圧範囲: 3.0V~42V
- 調整可能かつ同期可能: 300kHz~3MHz
- パッケージの種類: LQFN-32
- パッケージの寸法: 4mm × 6mm
- RoHSおよびWEEE準拠
アプリケーション
- 汎用降圧型
- 車載用および産業用電源
ビデオ
過酷な車載環境のための包括的な電源システム設計
車載アプリケーション用の電源は、過酷な条件下でも故障せず作動することが必須です。設計者は、ロードダンプ、コールドクランク、バッテリ逆極性、ダブルバッテリジャンプ、スパイク、およびLV 124、ISO 7637-2、ISO 17650-2、TL82066で定義されている過渡現象だけでなく、機械的振動、騒音、非常に広い温度範囲などをはじめとして、あらゆる緊急事態を考慮に入れる必要があります。本記事は、車載用電源仕様における重要な要件、および車載仕様に適合したソリューションに焦点を当てています。
ブロック図
標準アプリケーション回路
公開: 2019-05-22
| 更新済み: 2025-06-03
