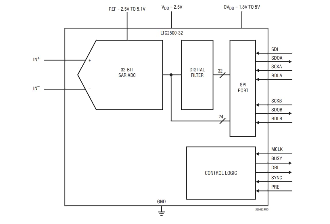
LTC2500-32に2つの出力コード、32ビット・デジタルフィルタ付き高精度低ノイズコード、32ビット・ノーレイテンシ複合コードが同時に提供されています。構成可能デジタル・フィルタは、ローパス・フィルタリングおよびSAR ADCコアからのデータストリーム・ダウンサンプリングによって測定ノイズを低減し、32ビット・フィルタリング済出力コードを生成します。32ビット複合コードは、オーバーレンジ検出ビット、差動入力電圧を指定する24ビット・コード、コモン・モード入力電圧を表す7ビット・コードで構成されています。32ビット複合コードは、各変換サイクルでご用意があり、3レイテンシのサイクルを排除します。
SPI互換インターフェイスを使用すると、デジタル・フィルタを高度に構成できます。また、多くの異なるフィルタ・タイプも特徴で、広範なアプリケーションに最適です。デジタル・ローパス・フィルタは、アナログ・アンチエイリアシングの要件を緩和します。SYNCピンを活用し、複数のLTC2500-32デバイスを簡単に同期させることができます。
特徴
- ±0.5ppm INL (Typ)
- 32ビット・ノーミッシングコード保証
- 同期で構成可能なディジタルフィルタ
- 緩和されたアンチエイリアスフィルタ要件
- デュアル出力32ビットSAR ADC
- 32ビットデジタルフィルタリングされた低ノイズ出力
- 24ビット差動+ 7ビット・コモン・モード1MSPS出力で(オーバーレンジ検出登載)
- 広い入力コモンモード範囲
- 1MSPSで104dB SNR(typ)
- 61spsで148dBのダイナミックレンジ(typ)
- 85°Cまで動作保証
- 1.8V~5V SPI互換シリアルI/O
- 低消費電力: 1Mspsで24mW
- 24リード7mm × 4mm DFNパッケージ
アプリケーション
- 地震学
- エネルギー探査
- 自動試験装置
- 高精度計器
Additional Resources
Precision data acquisition for Seismology and Energy Exploration
This article discusses how to design a low noise and low power DAQ solution for seismology and energy exploration.
ブロック図
代表的なアプリケーション
公開: 2019-03-21
| 更新済み: 2023-08-21

