Analog Devices Inc. LTC2672評価ボード(DC2903A)
Analog Devices Inc. LTC2672評価ボード(DC2903A)は、LTC2672 16ビットアナログデジタルコンバータを対象としたデモおよび開発プラットフォームです。Analog Devices Inc. LTC2672は、5チャンネル、電流源出力DACで、チャンネル出力電圧と電流を監視する選択可能な出力範囲、高精度リファレンス、マルチプレクサが搭載されています。LTC2672は、チューナブルレーザーまたは抵抗ヒーターといったさまざまな電流モードバイアス・アプリケーションに使用されます。出力電流範囲はソフトウェアで選択可能で、各チャンネルは外部モニタリング用にDC2903A MUXピンにルーティングされます。DC2903Aは、あらかじめ取り付けられているLTC2672 DACが特徴で、コンパクトなLFCSP32パッケージに収められており、すべての主要な信号のテストポストが備わっています。DC2903Aは、J1コネクタからシリアル・ペリフェラル・インターフェイス(SPI)を介して制御されます。これは、Linduino®One DC2026C デモボードに接続することを目的としています。Linduino Oneは、Arduino互換ボードで、USBケーブルを使用してWindowsベースのPCに接続できます。その後、QuikEval評価ソフトウェアを使用して、SPIインターフェイスを使用してLTC2672を構成および制御する直感的なグラフィカル・ユーザ・インターフェイス(GUI)を提供できます。
特徴
- LTC2672 16ビット・5チャンネル・デジタルアナログコンバータ
- Linduino One(DC2026C)デモボードで作動するように設計
- QuikEval GUI評価ソフトウェアとの互換性あり
- すべての重要な信号のためのテストポスト
- 14ピンSPIインターフェイスコネクタ
- 構成ジャンパ
- 電流ソース出力(VDD0~VDD4)
- 内部または外部リファレンス(REF SEL)
- フルスケール電流調整ピン(FSADJ)
キット内容
- DC2903A評価ボード
- Linduino One(DC2026C)デモボードに接続するリボンケーブル
必要な機器
- Linduino One(DC2026C)デモボード(別売り)
- QuikEval評価ソフトウェア
- WindowsベースのPC
- 電流計
ソフトウェア
LTC2672評価ボード(DC2903A)は、Linduino One(DC2026C)デモボード(同梱されていません)およびQuikEval評価ソフトウェアと併用するように設計されています。すべての構成と測定データは、QuikEvalインターフェイスに書き出すことができ、LTC2672 DACを評価する便利な方法となります。サンプルのArduinoコード、設計、統合ファイルもご用意があります。
セットアップ例
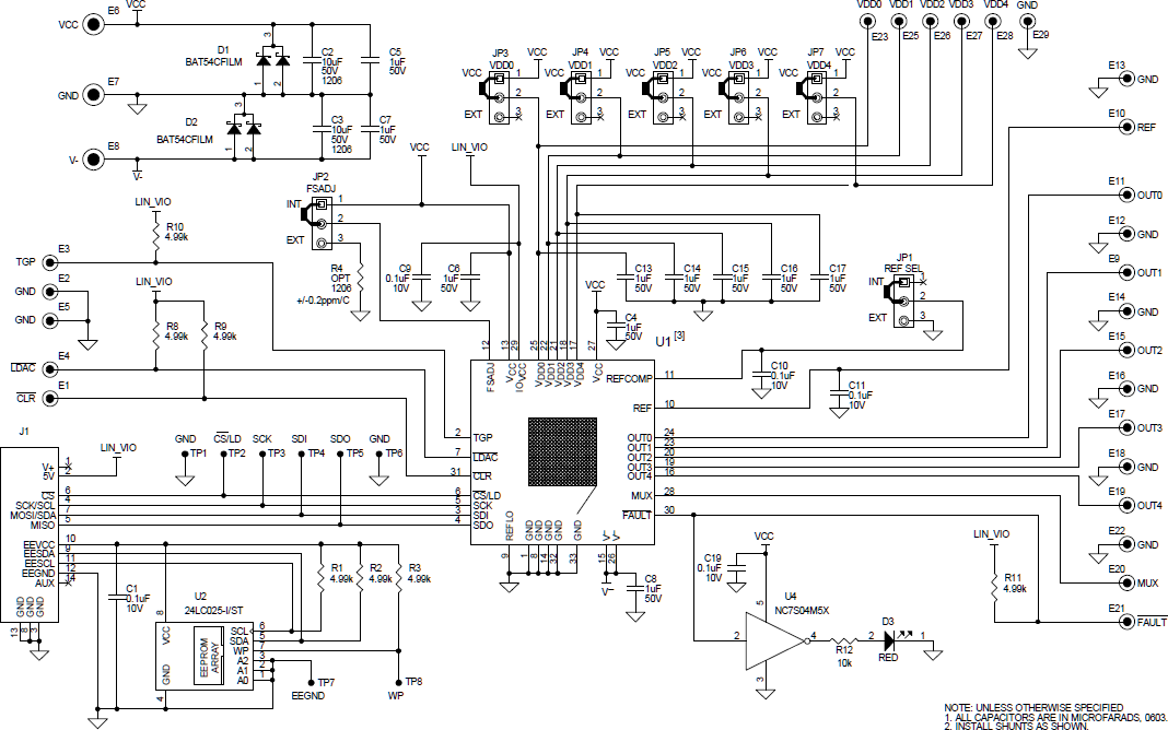
スキーム図
公開: 2021-03-19
| 更新済み: 2022-03-11
