Analog Devices Inc. LTC2876 & LTC2877 RS485トランシーバ
Linear Technology/Analog Devices LTC2876トランシーバとLTC2877 RS485トランシーバは、PROFIBUS-DPマスターおよびPROFIBUS-DPスレーブのテスト仕様を満たしているPROFIBUS RS485トランシーバです。このトランシーバは、IEC 61158-2、タイプ3: 媒体装着ユニット(MAU)との完全な互換性があり、中程度の添付ファイルユニット(MAU)です。LTC2876/LTC2877は、PROFIBUSの12Mbpsまでの全データレートに対応しており、最大20Mbpsの動作範囲が備わっています。特徴
- PROFIBUS IEC 61158-2に準拠
- 過電圧ラインフォルトから±60Vまで保護
- ESDインターフェイスピン: ±52kV、すべての他のピン: ±15kV
- +2kV (Level 4) IEC61000-4-4高速過渡バースト
- ±25V作業コモンモード範囲
- 20Mbps最大ボーレート
- フレキシブルデジタルインターフェイス用1.65V~5.5Vロジック供給ピン
- 小型DFNパッケージおよびMSOPパッケージでご用意あり
- よる優れたノイズ公差および低デューティサイクル歪みのための240mVヒステリシスによる完全バランス化差動レシーバ閾値
- 5V電源は、低消費電力、低振幅アプリケーションを対象に最低3Vまで動作可能
- オープン、短絡、終端条件のレシーバフェイルセーフ
- 広範な動作温度範囲: -40°C〜125°C
アプリケーション
- PROFIBUS-DP
- 産業用通信ネットワーク
- RS485システム、RS422システム
- 3V定電圧差動シグナリング
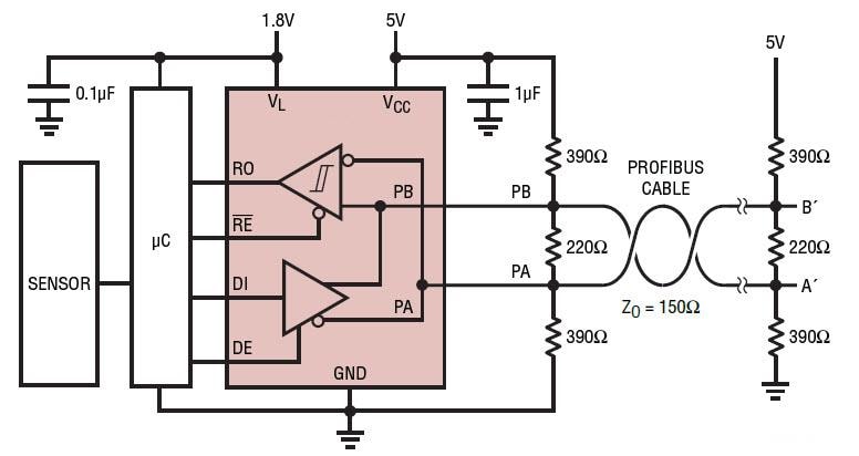
代表的なアプリケーション
公開: 2017-04-25
| 更新済み: 2022-03-11
