Analog Devices Inc. LTC2975 4チャンネルPMBus™パワーシステムマネージャ
Analog Devices Inc. LTC2975 4チャンネルPMBus™ パワーシステムマネージャ(PSM)は、障害のシーケンス、トリム(サーボ)、マージン、監視、管理、テレメトリの実現、障害ログの作成を行うように設計されています。これらのデジタルPSMには、PMBusに準拠したコマンドセットが搭載されており、電源シーケンシング、高精度ポイントオブロード電圧調整、マージニングに対応しています。プログラム可能な障害応答は、障害が検出された後でオプションの再試行によって電源を無効にできます。電源が無効になる障害は、障害状態および紐づけられたテレメトリのブラックボックスEEPROMストレージを自動的にトリガする可能性があります。LTC2975 PSMSは、4つの出力電圧、4つの出力電流、4つの外部温度、入力電圧、入力電流、ダイ温度を監視する内部16ビット対応アナログ・デジタル・コンバータ(ADC)が特徴です。代表的なアプリケーションには、コンピュータ、ネットワークサーバ、産業テストと測定、ビデオと医療用画像処理、信頼性の高いシステムがあります。特徴
- 4つの電源のシーケンス、トリム、マージン、監視
- 障害の管理、テレメトリの監視、障害ログの作成
- 複数のLTC PSMデバイスを網羅して順序設定と障害管理を調整
- PMBus対応コマンドセット
- LTpowerPlay® GUIによるサポート
- 内部EEPROMへの自動障害ロギング
- 追加ソフトウェアなしで自律的に動作
- ターゲットの0.25%以内にマージンまたはトリムを供給
- モニタ入力電流(±1%)とエネルギーを累積
- チャンネルごとの高速OV/UVとOC監視装置
- 外付け温度および入力電圧監視装置
- 4つの出力電圧、4つの出力電流、4つの外部温度、入力電圧、入力電流、内部ダイ温度の正確な監視
- I2C/SMBusシリアルインターフェイス
- 3.3V、または4.5V~15Vから給電可
- LTC2974とのピン互換性あり
- 64リード 9mm × 9mm QFNパッケージでご用意あり
アプリケーション
- コンピュータとネットワークサーバー
- 工業試験と計測
- ビデオと医療画像
- 信頼性が高いシステム
標準アプリケーション回路
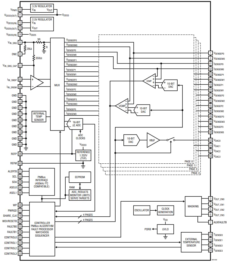
ブロック図
公開: 2020-02-25
| 更新済み: 2025-03-25
