Analog Devices Inc. LTC3871 PolyPhase®コントローラ
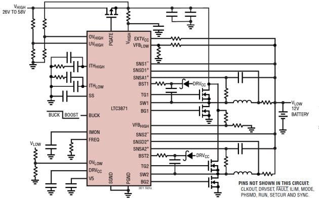
Linear Technology/Analog Devices LTC3871双方向PolyPhase®同期コントローラは、高性能100V/30V双方向2相コントローラで、オンデマンドでバックモードまたはブーストモードのいずれかで動作する能力があります。制御信号に応じて、LTC3871は、VHIGH-to-VLOWからバックモードで、VLOW-to-VHIGHからブーストモードで安定化を図ります。これらの安定化機能によって、LTC3871コントローラは、車載用デュアルバッテリシステムに最適です。このコントローラは、正確な電流プログラミングループを通っていずれかの方向に供給される最大電流を安定化します。この電流プログラミングループを使用すると、2つのバッテリは、一方のバッテリから他方のバッテリにエネルギーを変換することで、負荷に同時にエネルギーを供給できます。独自の定周波数電流モードアーキテクチャを使用することで、LTC3871は、信号対ノイズ比を高めます。この強化された信号対ノイズ比によって、低ノイズ動作が可能になり、位相間の優れた電流整合が実現しています。LTC3871の追加機能には、連続または不連続モード動作、OV/UVモニタ、正確な出力電流モニタリング、バックおよびブースト動作のための独立したループ補償、過電流保護があります。特徴
- ユニークなアーキテクチャによって、入力電圧、出力電圧または電流の動的安定化が可能
- 100VまでのVHIGH電圧
- 30VまでのVLOW電圧
- 同期清流: 最大97%の効率性
- LTC独自の高度な電流モード制御
- 温度全体で±1%の電圧安定化精度
- バックブーストとブースト動作の両方を目的とした正確なプログラマブル出力電流モニタリングと安定化
- セレクタブルバックおよびブースト電流センス制限
- プログラマブルDRVCC/EXTVCCによって効率を最適化
- プログラマブルVHIGH UVおよびOV閾値
- プログラマブルVLOW OV閾値
- 位相ロック可能周波数: 60 kHz~460kHz
- 12段階までの多相/マルチIC動作
- セレクタブルCCM/DCMモード
- 熱特性が改善された48ピンLQFPパッケージ
アプリケーション
- 車載用48V/12Vデュアルバッテリシステム
- バックアップ電源システム
標準的なアプリケーション図
Creating a Dual-Output Voltage Rail with Source and Sink Capability for ATE Applications
This article describes a technique for producing dual-output voltage rails that deliver positive and negative rails for a device power supply (DPS) with only one bidirectional power supply. The conventional way of supplying power to DPS uses two bidirectional power supplies, one for the positive rail and one for the negative rail, which is bulky and expensive. This method offers an alternative to the traditional approach, resulting in a more compact and cost-effective solution.
公開: 2017-04-28
| 更新済み: 2025-07-08
