Analog Devices Inc. LTC4283負の電圧ホットスワップコントローラ
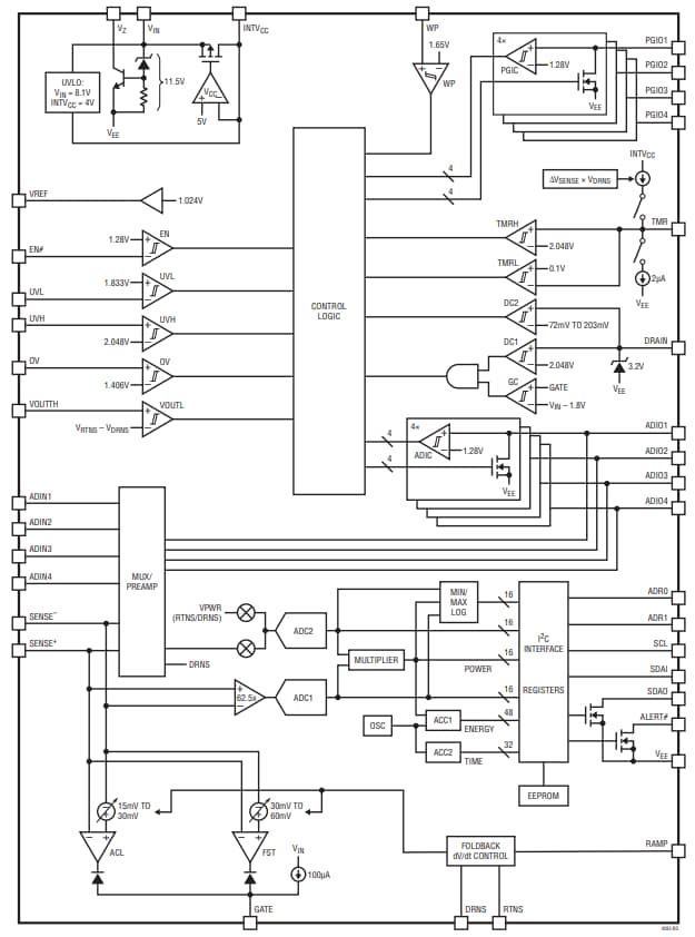
Analog Devices Inc. LTC4283負の電圧ホットスワップコントローラは、ライブバックプレーンから回路ボードを安全に抜き差しできる外部NチャンネルMOSFETを駆動します。このデバイスは、フォールドバックが備わっているプログラマブル電流制限が特徴で、MOSFET安全動作領域(SOA)を最適化するために突入電流を個別に調整できます。SOAタイマは、過負荷状態からの信頼性の高い保護を目的に、MOSFETの温度上昇を制限します。I2Cインターフェイスおよびオンボード・ギアシフト・アナログデジタルコンバータ(ADC)を使用すると、オンボード電流、電圧、電力、エネルギー、障害状態を監視できます。特徴
- ライブ -48Vバックプレーンに安全に挿入可能
- SOAタイマを活用したMOSFET保護
- 15mV~30mVのプログラマブルな電流制限センス電圧(2%精度)、調整可能フォールドバック
- 8ビット~16ビット・ギアシフトADC(0.5%精度)
- 電圧、電流、電力、エネルギーの監視
- 不揮発性設定と障害記録
- 堅牢な高電圧動作のための浮動トポロジ
- 選択可能な突入制御: dV/dtまたは電流制限
- I2C/SMBusまたはシングルワイヤ放送インターフェイス
- アラートを活用した最小/最大ADC測定ロギング
- プログラマブル遅延が備わっているI2Cコマンドでの再起動
- 入力UV/OV閾値とヒステリシスの調整が可能
- 38ピン、5mm × 7mm QFNパッケージ
アプリケーション
- 通信用インフラストラクチャ
- –48V分散型電源システム
- サーバとデータセンタ
- パワーモニタ
ブロック図
公開: 2019-07-18
| 更新済み: 2024-03-04
