ADI LTC7061 100Vハーフブリッジドライバには、パワフルな0.8Ωプルダウンおよび1.5ΩプルアップMOSFETドライバが搭載されており、大きなゲート容量の高電圧MOSFETが可能になります。その他の機能には、UVLO、TTL/CMOS互換入力、調整可能なターンオン/オフ遅延、シュートスルー保護があります。
特徴
- 独自の対称浮動ゲートドライバ・アーキテクチャ
- ±10Vの接地差を許容する高ノイズ耐性
- IC供給電圧VCCに依存しない100Vの最高入力電圧
- 動作電圧:5V~14V VCC
- ゲートドライバ電圧: 4V~14V
- 0.8Ωプルダウン、1.5Ωプルアップ(高速ターンオン/オフ用)
- 適応型シュートスルー保護
- 調整可能デッドタイム
- TTL/CMOS互換入力
- VCC UVLO/OVLOおよび浮動供給UVLO
- デュアルNチャンネルMOSFETを駆動
- オープンドレイン障害インジケータ(VCC UVLO/OVLO、ゲートドライバUVLO、サーマルシャットダウン)
- 熱強化型12リードMSOPでご用意あり
- AEC-Q100車載認定(手続き中)
アプリケーション
- 車載および工業用電源システム
- テレコミュニケーション・パワーシステム
- フルブリッジおよびハーフブリッジコンバータ
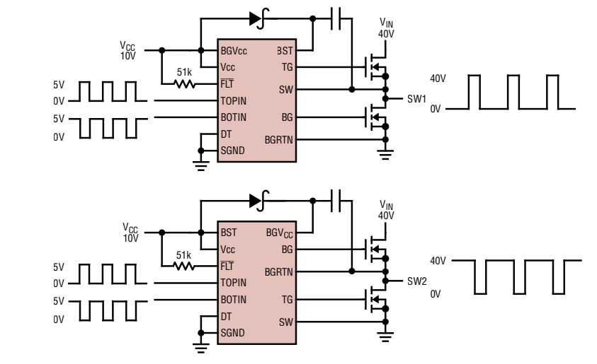
代表的なアプリケーション
公開: 2021-03-16
| 更新済み: 2022-03-11

