Analog Devices Inc. LTC7803同期降圧型コントローラ
Analog Devices Inc. LTC7803同期降圧型コントローラは、高性能、100%デューティサイクル対応、同期降圧型DC/DCスイッチング・レギュレータ・コントローラで、すべてのNチャンネルパワーMOSFET段を駆動します。同期整流は、効率性の増大、電力損失の削減、熱要件の緩和を実現します。定周波数電流モード・アーキテクチャによって、最大3MHzまでの位相ロック対応スイッチング周波数が可能になります。Analog Devices LTC7803同期降圧型コントローラは、4.5V~40Vの広い入力供給範囲で動作します。低無負荷自己消費電流によって、バッテリ駆動システムでの動作ランタイムが延長されます。OPTI-LOOP補償によって、広範な出力静電容量とESR値全域で過渡応答を最適化できます。MODEピンは、Burst Mode動作、パルススキッピングモード、または軽負荷時の連続インダクタ電流モードの間で選択します。また、LTC7803は、拡散スペクトラム動作が特徴で、入力と出力の両方の供給で放射および伝導ノイズのピークを大幅に低減し、電磁干渉(EMI)規格に簡単に準拠できます。
特徴
- 12µA (14V VIN ~ 3.3V VOUT)低動作IQ
- 広い入力電圧範囲 4.5V~40V
- 出力電圧最高40V
- スペクトラム拡散動作
- RSENSE またはDCR電流センシング
- Pass-Thru™/100%負荷サイクル対応
- 100%デューティサイクル動作
- プログラマブル固定周波数範囲: 100kHz ~ 3MHz
- 100kHz ~ 3MHz位相ロック対応周波数範囲
- 選択可能な連続、パルス・スキップ、または低リップル・Burst Mode®軽負荷時の動作
- 1.2μA低シャットダウンIQ
- 熱強化型16ピン3mm × 3mm QFNおよびMSOPパッケージ
- AEC-Q100認定(手続き中)
アプリケーション
- 自動車と輸送
- 産業用
- 軍事/航空電子
- 電気通信
ビデオ
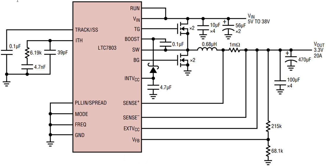
標準アプリケーション
公開: 2020-06-05
| 更新済み: 2024-10-07
