Analog Devices Inc. LTC7820ハイパワー充電ポンプDC-DCコントローラ
Linear Technology / Analog Devices Inc. LTC7820固定比ハイパワースイッチトキャパシタコントローラ/充電ポンプコントローラは、障害保護機能が備わったハイパワー、非絶縁型中間バスアプリケーション用の小型で費用対効果の高いソリューションです。このデバイスには4つのNチャンネルMOSFETゲートドライバが含まれており、分圧器、ダブラー、またはインバータ構成で外部パワーMOSFETを駆動できます。このデバイスは、最高72V入力電圧からの2:1降圧型比、最高36V入力電圧からの1:2昇圧比、または最大36V入力電圧からの1:1反転比を達成しています。各パワーMOSFETは、予めプログラミングされた定スイッチング周波数の場合に、50%デューティー・サイクルで切り替わります。システム効率を99%以上に最適化できます。LTC7820スイッチング周波数は、100kHz~1MHzで直線的にプログラミングできます。このデバイスは、熱強化型28リードQFNパッケージでのご用意があり、高電圧互換ピン間隔のためのいくつかの無接続ピンがあります。
特徴
- 薄型、ハイパワー密度、500W+が可能
- 定常動作へのソフト・スタート
- 入力電流センシングおよび過電流保護
- プログラム可能なタイマおよびリトライ付き出力短絡回路/OV/UV保護
- 熱特性が改善された28ピン4mm×5mm QFNパッケージ
仕様
- ソフト・スイッチング: 99%ピーク効率と低EMI
- 電圧ドライバ(2:1)用VIN最大: 72V
- 電圧ダブラ(1:2)/インバータ(1:1)用のVIN最大: 36V
- 効率性改善のための広いバイアスVcc入力
- 広い動作周波数範囲: 100kHz~1MHz
アプリケーション
- バスコンバータ
- ハイパワー分散型電源システム
- 通信システム
- 工業用途
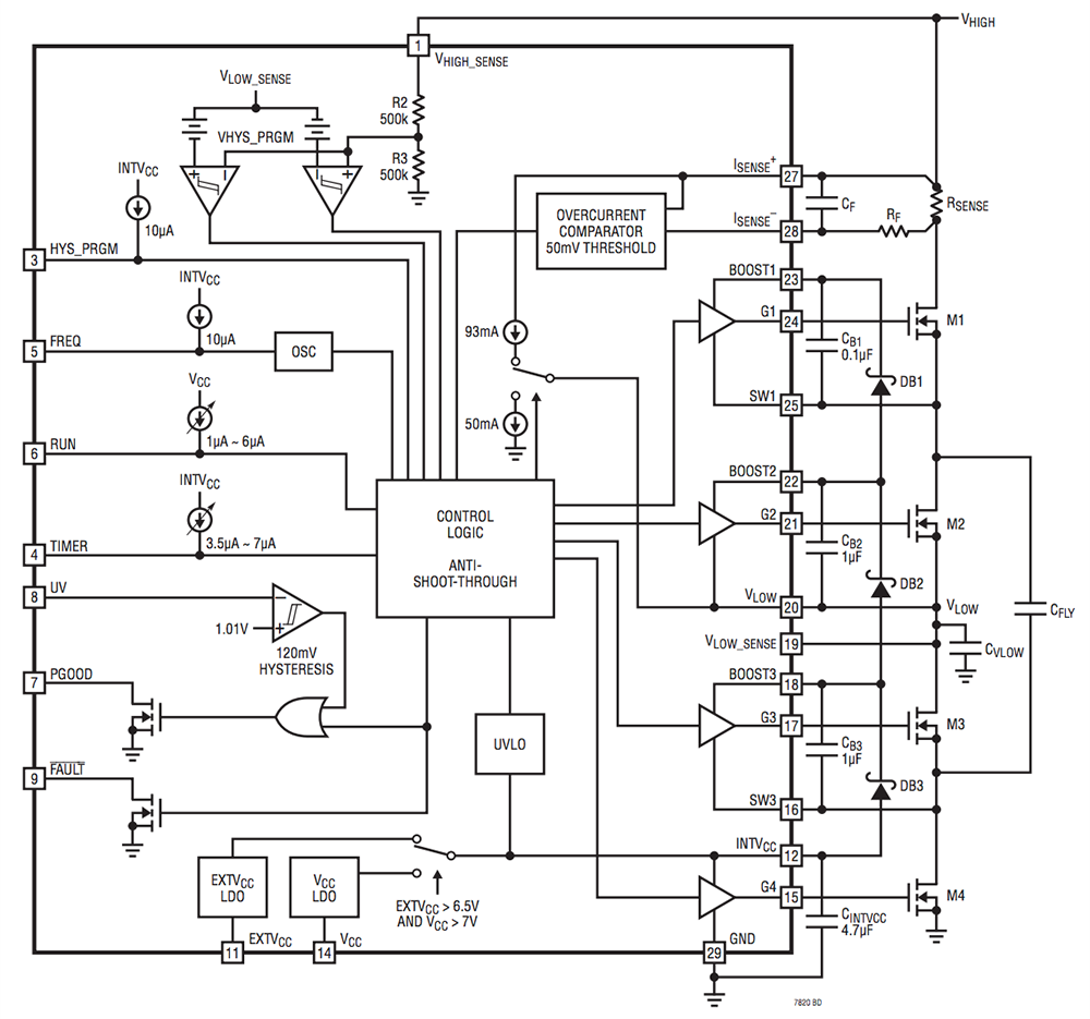
ブロック図
ビデオ
公開: 2017-05-04
| 更新済み: 2022-03-17
