Analog Devices Inc. LTC7852スイッチング・コントローラ
Analog Devices Inc. LTC7852スイッチング・コントローラには、6相デュアル出力電流モード同期降圧型スイッチングが搭載されています。LTC7852は、DrMOS、電力ブロックまたはディスクリートNチャンネルMOSFET、関連ゲートドライバといった外部パワートレインデバイスと連動して作動します。このデバイスには、1、2、3、4、5、6相構成を実現できる柔軟性に富んだ設計があります。LTC7852は、電流センス信号の信号対ノイズ比を高める独自の機能を実現しています。この特徴によって、最大限の効率性を目的に非常に低い巻線抵抗でインダクタを使用できるようになります。特徴
- 電流センス付きサブミリオームDCR検出またはDrMOSによって効率性が向上
- パワーブロック、DrMOSまたは外部ゲートドライバおよびMOSFETで動作
- ±0.5%合計出力電圧精度
- tON(MIN) = 40ns、高周波での超低デューティー・サイクルに対応
- デュアル差動リモート・センシング・アンプ
- 柔軟性の高い位相構成
- デュアル出力電流モニタリング
- 250Khz~1.2MHzのプログラマブル周波数範囲
- VIN範囲はICによって制限されない
- VCC範囲: 4.5V~5.5V
- VOUT範囲: 0.5V~2.0V
- LTC7852向け48リード (5mm × 6mm) GQFN
- LTC7852-1向け36リード(4mm × 5mm)QFN
アプリケーション
- コンピュータシステム
- 電気通信およびデータ通信システム
- DC配電システム
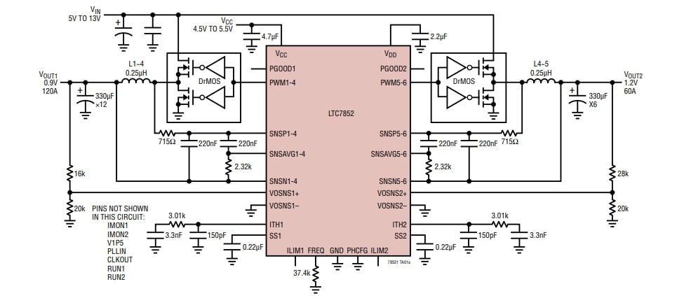
代表的なアプリケーション
ビデオ
公開: 2019-04-12
| 更新済み: 2023-10-03
