Analog Devices Inc. LTC7878 4スイッチ・バックブースト・コントローラ
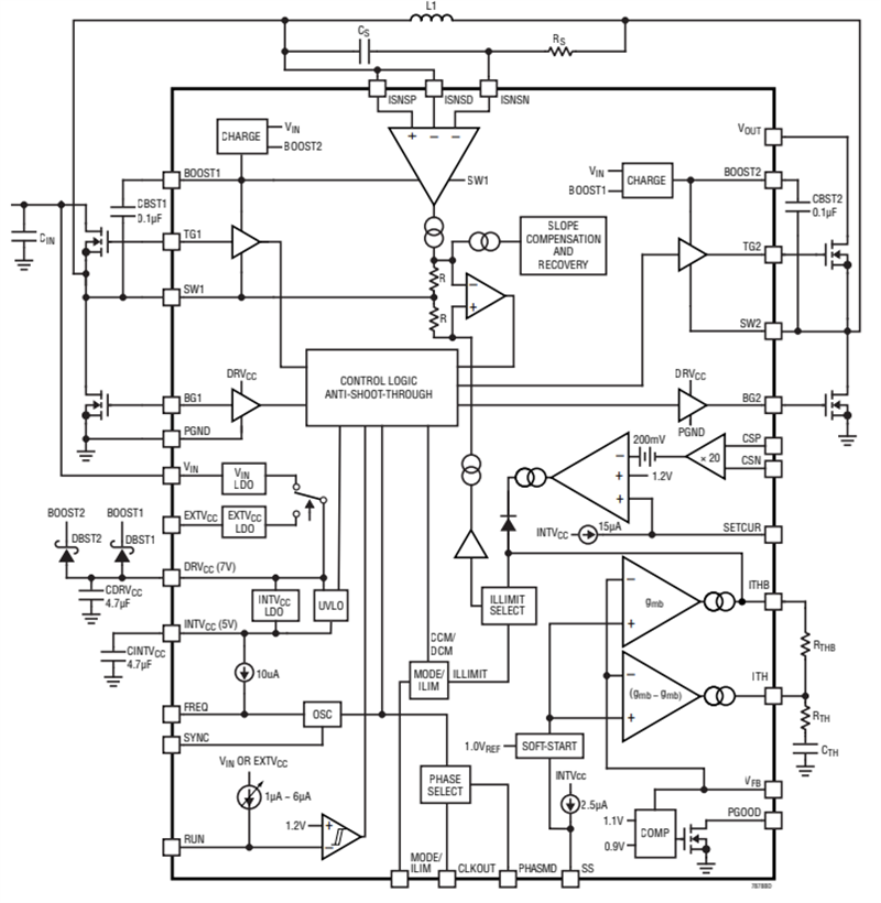
Analog Devices Inc. LTC7878 4スイッチ・バックブースト・コントローラは、入力電圧以上、以下、または同等の出力電圧で動作する高性能スイッチング・レギュレータ・デバイスです。 定周波数、ピーク電流モードアーキテクチャによって、最大600kHz位相ロック対応スイッチング周波数が可能になります。プログラマブル入力/出力電流ループは、平均入力/出力電流の安定化を図り、バッテリ充電アプリケーションを正確にサポートします。LTC7878は、5V~70Vの幅広い入力/出力範囲と、動作領域間のシームレスで低ノイズな移行により、産業用および通信用のシステムに最適です。LTC7878は、強制連続モード(FCM)/パルススキップモード動作が特徴で、高出力用途での多相/マルチICパラレル動作をサポートします。このコントローラは低背型32リードQFNパッケージに収められており、インダクタのピーク電流制限をプラグラム可能で、スマートEXTV CC 補助電源および7VのNチャネルゲートドライバを搭載しています。PGOODピンは、出力が設計されたセットポイントの10%内にあることを示します。
特徴
- シングル・インダクタ・アーキテクチャによって、安定化が図られたVOUT以上、以下、または同等を可能にします。
- 最大98%の効率性が備わった同期整流
- ワイドVIN範囲:5V~70V
- ±1%の出力電圧精度(1V ≤ VOUT ≤ 70V)
- DCRまたはRSENSE電流センシング
- バック/ブースト/バックブーストモードでのピーク電流モード制御
- プログラマブル入力または出力電流安定化
- 7V NMOSゲートドライバ
- 位相ロック対応周波数(100kHz~600kHz)
- 多相/マルチIC並列動作
- セレクタブル連続、またはパルススキッピングモード
- 動作およびインダクタピーク電流制限
- 32リードの小型5mm2 QFNパッケージ
- 動作接合部温度範囲:-40°C~+125°C
アプリケーション
- 産業およびテレコムシステム
- 分散DC電力またはバッテリシステム
代表的なアプリケーション
ブロック図
公開: 2022-12-29
| 更新済み: 2023-06-06
