ADI LTC7897の広い入力および出力電圧範囲により、高い降圧比と、正から負への幅広い電圧変換を可能にします。LTC7897のゲートドライバは、最大15V ABS定格の堅牢性と、アプリケーションを最適化するためにドライブレベルとデッドタイムを調整できる柔軟性を備えています。LTC7897のゲート駆動電圧は、ロジックレベルまたは標準的スレッショルドのMOSFETを使用できるように、オプションで5V~10Vに調整可能です。LTC7897のデッドタイムは外付け抵抗で最適化できるため、マージンを確保したり、より高効率で高周波動作をサポートするためにアプリケーションをカスタマイズすることできます。
特徴
- 入力電圧(VIN)対応範囲:4V~135V(最大ABS 140V)
- 出力電圧範囲:0.8V ≤ VOUT ≤ 135V(最大ABS 140V)
- 調整可能なゲート駆動レベル:5V〜10V(OPTI-DRIVE、最大15V ABS)
- 調整可能なドライバ電圧UVLO
- ゲートドライバの分割出力によりターンオンとターンオフのドライバ強度を調整可能
- 適応型または抵抗で調整可能なデッドタイム
- 100%デューティサイクル動作
- 動作時静止電流(IQ):5μA(48VIN 、3.3V OUT時)
- スペクトラム拡散周波数変調
- プログラム可能な周波数:100kHz〜2.5MHz
- 同期可能な周波数:100kHz〜2.5MHz
- 28ピン(4mm x 5mm)QFNパッケージ
アプリケーション
- 産業用電源システム
- 防衛/アビオニクス
- テレコミュニケーション電源システム
代表的なアプリケーション
VOUT効率
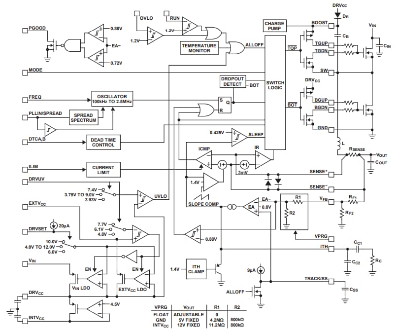
ブロック図
公開: 2025-05-06
| 更新済み: 2025-05-11

