Analog Devices Inc. LTM2985デジタル温度測定システム
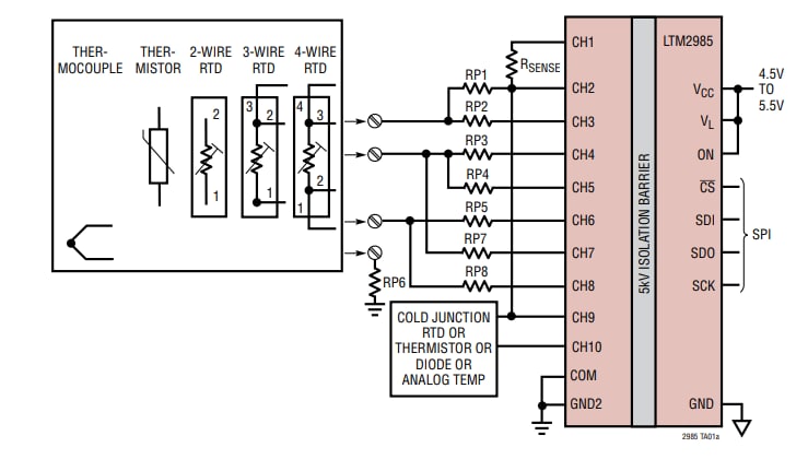
Analog Devices Inc. LTM2985絶縁高精度デジタル温度測定システムは、多種多様な温度センサを測定し、0.1 C精度および0.001°C分解能で、摂氏(C)または華氏(F)で結果をデジタル出力します。LTM2985は、ほぼすべての標準(タイプB、E、J、K、N、S、R、T)またはカスタム熱電対の温度を測定します。このデバイスは、冷接点温度を自動的に補償し、結果を線形化します。さらに、LTM2985デジタル温度測定システムは、標準の2、3、または4-wire RTD、サーミスタ、ダイオードで温度を測定します。LTM2985は、各タイプの温度センサに適した励起電流源および障害検出回路が特徴です。
LTM2985には、LTC2986-1との互換性がある絶縁10チャンネル温度測定システム・ソフトウェアが備わっています。高精度温度ビット・コンバータに5kV絶縁電力およびSPIインターフェイスを供給します。LTM2985には、カスタムセンサデータのためのユーザプログラマブルEEPROMが組み込まれています。
特徴
- 5000Vrms絶縁電力とSPIインターフェイス
- 2、3、または4線式RTD、熱電対、サーミスタ、ダイオードを直接デジタル化
- 10個の柔軟性に富んだ入力によって、相互交換センサが実現
- 低い接合部温度の熱電対を自動補償
- 熱電対、RTD、サーミスタの内蔵標準およびユーザープログラマブル係数
- 自動バーンアウト、短絡、障害検出
- バッファ入力を使用すると、外部保護が可能
- 同時50Hz/60Hz 除去
- 15Ppm/°C(最大)リファレンスを搭載
- 特殊保護モードを搭載
- チャンネル構成データとカスタム係数を格納するオンチップEEPROM
アプリケーション
- 直接熱電対測定
- ダイレクトRTD測定
- 直接サーミスタ測定
- カスタム・センサ・アプリケーション
代表的なアプリケーション
標準的な温度誤差の貢献
公開: 2022-01-13
| 更新済み: 2022-03-11
