Analog Devices Inc. LTM8051クワッド40Vɪⲛ µModule®レギュレータ
Analog Devices Inc. LTM8051クワッド 40VIN Silent Switcher® μModule® レギュレータは、1.2A降圧型Silent Switcherレギュレータです。Silent Switcherアーキテクチャによって、最高3MHzまでの周波数で高効率性を発揮しつつ、EMIが最小限に抑えられます。これらのレギュレータには、コントローラ、電源スイッチ、インダクタ、サポート・コンポーネントが装備されています。LTM8051レギュレータは、0.8V~8Vの出力電圧、300kHz~3MHzのスイッチング周波数に対応しており、それぞれ単一レジスタによってセットされます。これらのレギュレータは、コンパクト (6.25mm × 11.25mm × 2.22mm) なオーバーモールド・ボール・グリッド・アレイ (BGA) パッケージでご用意があり、スタンダードの表面実装装置による自動化されたアセンブリに帰しています。代表的なアプリケーションには、自動テスト装置、分散電源安定化、工業電源、医療機器があります。特徴
- 完全降圧型スイッチング電源4個
- 低ノイズSwitcherアーキテクチャ
- CISPR22 Class Bに準拠
- CISPR25 Class 5準拠
- 出力電流の増大を目的とした多相またはマルチμModule並列
アプリケーション
- 自動試験装置
- 分散電源安定化
- 工業用電源
- 医療機器
仕様
- 3V~40Vという広い入力電圧範囲
- 0.8V~8Vワイド出力電圧範囲
- 300kHz~3MHzの間でスイッチング周波数範囲を選択可
- コンパクトな表面実装BGAパッケージ(6.25mm × 11.25mm × 2.22mm)
- 12VIN および3.3VOUT 、TA = 85°Cで1チャンネルあたり1.2A連続出力電流
- 12VIN および3.3VOUT 、TA = 60°Cで1チャンネルあたり1.5A連続出力電流
- 動作温度範囲:-40°C~125°C
ブロック図
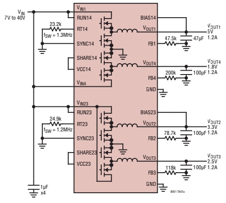
標準アプリケーションの回路図
性能グラフ
公開: 2020-10-30
| 更新済み: 2024-11-26
