Analog Devices Inc. MAX17616/A 7A電流制限器
Analog Devices Inc. MAX17616/A 7A電流制限器は、入力電圧フォルトおよび出力過電流フォルトに対するシステムに、汎用性が高くプログラマブルな保護境界を提供します。入力電圧障害(正極性)は、オン抵抗が低い(20mΩ 、Typ.)内蔵nFETにより、逆電流保護なしの場合は+80V逆電流保護ありの場合は+75Vまで保護されます。Analog Devices Inc. MAX17616/Aデバイスは、外部分圧回路を使用することで、プログラム可能な低電圧誤動作防止 (UVLO) しきい値を備えています。MAX17616は、プログラム可能な過電圧ロックアウト(OVLO)を備えています。MAX17616Aは、入力過渡サージイベント時に出力電圧を制限するレギュレーション機能を備えた OVFB ピンを通じて、プログラム可能な出力電圧クランプ機能を提供します。入力低電圧および過電圧保護(MAX17616)/出力電圧クランプ機能(MAX17616A)は、3V~80Vの動作範囲全体にわたってプログラム可能です。特徴
- 堅牢な保護によってシステムのダウンタイムを削減
- +3V~+80Vの広い入力電源範囲(逆電流保護なし)
- +3V~+75Vの広い入力電源範囲(逆電流保護機能付き)
- 全温度範囲にわたり、3Aから7Aの間で±3%と精密でプログラム可能な電流制限
- 全温度範囲にわたって、2Aから3Aの間で±4%と精密でプログラム可能な電流制限
- 全温度範囲にわたって、0.7Aから2Aの間±7%と精密でプログラム可能な電流制限
- 入力電圧逆極性保護(外付けnFET付き)
- デュアルステージ逆電流保護(外付けnFET使用)、高速応答時間100ns
- 低RON 内蔵nFET (20mΩ、Typ.)
- 出力電圧逆極性耐性
- アース保護の喪失
- 短期過負荷能力200%
- プログラマブル過電圧サージ保護 (MAX17616A)
- PMBusインターフェース
- リアルタイム動作状態監視、電圧、電流読み出し
- 障害レジストリへのアクセスと管理
- 機器のON/OFF制御
- 電流制限モード選択
- 起動時突入電流制限選択
- 短期過電流制限と時間選択
- 再利用を最大化し、再校正を最小化する柔軟な設計
- 調整可能なUVLOおよびOVLO/OVFBスレッショルド
- ±2%と精密な帯域幅の電流モニター読み出し、IMON (3A~7A 最大+85°C)
- プログラム可能な起動時突入電流制限
- プログラマブル電流制限フォルト・レスポンス:連続、自動停止、ラッチオフ・モード
- 論理レベル・イネーブル入力(EN)
- 保護された外部N型電界効果トランジスタ(nFET)ゲート駆動
- パワーグッド出力(PGOOD)
- プログラマブル出力電圧センス(OUTUV)
- ジャンクション温度モニタリング (TJ)
- サーマルフォールドバック電流制限
- ソリューションのフットプリントの削減
- 4.5mmx5.75mm 23ピン FCQFNパッケージ
- コモンユース保護要件のための統合nFET
アプリケーション
- 入力電圧および出力過電流保護:MAX17616/MAX17616Aは、入力電圧フォルトおよび出力過電流フォルト時に負荷電流を遮断し、出力を入力から切り離します。
- 接地喪失保護:MAX17616/MAX17616Aは、接地経路の単一故障安全ヒューズが切断された場合など、接地喪失イベントにおいて負荷電流を遮断し、出力を入力から切り離します。
- サージ保護:MAX17616Aは、入力電圧の過渡サージ時の出力電圧制限レギュレーションを備えており、接続された負荷を短時間の入力電圧サージ事象から保護します。
アプリケーション概略図
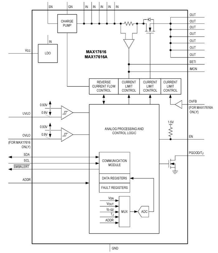
機能ブロック図
公開: 2024-12-12
| 更新済み: 2025-01-16
