Analog Devices / Maxim Integrated MAX1800x評価キット
Analog Devices Inc. MAX1800x評価キットは、プリインストールされているMAX18000AWT + (nanopowerバージョン)またはMAX18002AWT + (超音波型式)昇圧コンバータが特徴です。 組立とテストが完了しているプリント基板(PCB) で、1.8V ~ 5.5Vの入力電圧範囲、3.6Aのスイッチ電流制限、2.5V ~ 5.5Vの間で調整できる出力電圧で動作します。これらのAnalog Devices Inc.評価ボードには、デバイスの機能テストを目的とした テストポイントとジャンパがあります。重要なノード(OUTおよびLX) でのプロービングホールによって、正確な測定が実現しています。特徴
- MAX18000AWT +またはMAX18002AWT +をプリインストール済
- 入力電圧範囲: 1.8V~5.5V
- IN、OUT、GNDSのテストポイント
- 2.5V ~ 5.5Vの間で調整できる出力電圧(100mVステップで)
- LXおよびOUTでのセンスソケット
- 組立完了、試験済
必要な機器
- 調整可能DC電源
- 4xデジタルマルチメータ
- 電気的負荷
コンポーネント
- MAX18000WEVKIT # -あらかじめインストールされているMAX18000AWT + nanoPowerブーストコンバータが特徴で、512nAの静止電流が備わっています。低負荷時に低電力モードで動作し、すべての負荷状態で高い効率性を確保します。このバージョンでは、VOUT – VIN > 0.2V (常にブーストモードで)
- MAX18002WEVKIT # -低負荷で超音波モード(FSW > 22kHz) で動作するMAX18002AWT +超音波ブーストコンバータがプリインストールされており、音響可聴ノイズ干渉を避けることができます。
標準アプリケーション回路
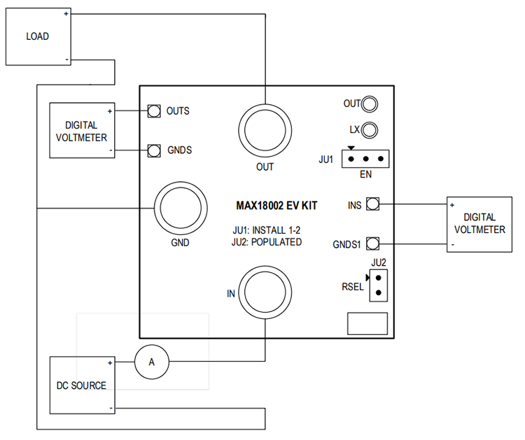
接続ブロック図
公開: 2023-06-21
| 更新済み: 2023-07-07
