Analog Devices Inc. MAX22196EVKIT 評価キット
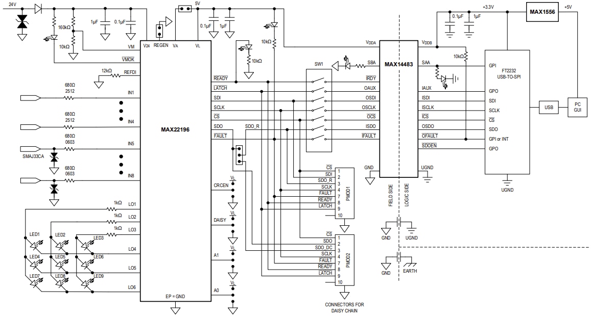
Analog Devices Inc. MAX22196EVKIT評価キット(EVキット)は、オクタル産業用シンク/ソースデジタル入力であるMAX22196を評価するためのハードウェアとソフトウェアです。このキットは、PCからのコマンドを USB ポート経由で受信し、ソフトウェアとキット上のMAX22196間の通信用 SPI トランザクションを作成します。MAX22196EVKIT 評価キットには、マイクロコントローラ(MCU)ユニットやフィールドプログラマブルゲートアレイ(FPGA)などの外部ホストデバイスとの SPI 通信に使用する Pmod™互換コネクタが含まれています。この評価キットには、PC とターゲットデバイス間で通信を行う GUI が搭載されています。MAX22196 EVキットは、USBモード、Pmodモード、マルチデバイスモードで動作します。このEVキットは、IEC 61000-4-2、IEC 61000-4-4、IEC 61000-4-5規格に準拠したESD、EFT、サージの過渡耐性試験をサポートしています。MAX22196 EVキットは、8チャネル、ガルバニック絶縁、構成可能なタイプ1/3またはタイプ2、あるいはMAX22196を使用したソースデジタル入力ソリューションのための設計を実現します。このEVキットには、MAX22196EVKIT#、MAX22196AJT+、micro-USB ケーブル、24V の電源アダプタが含まれています。
特徴
- MAX22196デジタル入力を評価
- EVキットのロジック側はUSB駆動
- フィールド入力の堅牢な設計:
- ライン-グラウンド、ライン-ラインで±1kV のサージ耐性
- 接触静電気放電(ESD): ±8kV
- エアギャップESD:±15kV
- IEC 61131-2のタイプ1/3、タイプ2、TTL、HTLの入力用に構成可能なソフトウェア
- Windows® 10対応ソフトウェア
- 完全実装および試験済み
- 実証済みのプリント基板レイアウト
- IEC 61000-4-2、IEC 61000-4-4、IEC 61000-4-5規格に準拠した過渡耐性試験をサポート
- RoHS 準拠
キット内容
- MAX22196EVKIT#(MAX22196AJT+を含む)
- Micro-USB ケーブル
- 24V 電源アダプタ
評価キットのシステムブロック図
公開: 2023-04-27
| 更新済み: 2023-05-03
