ソースドライバ電源は、ユニポーラモードで最大+18Vを実現できるブーストコンバータで構成されています。最低-10.5Vまでの電圧を生成できる反転バックブーストコンバータが搭載されています。AVDD出力は13.5Vで最大300mAを供給できます。他方、NAVDDは、最大200mAを供給できます。正ソースドライバ電源安定化電圧(VAVDD)は、I2Cまたは内部NVメモリを介して設定します。負ソースドライバ電源電圧(VNAVDD)は、常に-VAVDD に厳密に設定されています。ソースドライバ電源は、2.65V~5.5Vの入力電圧で動作します。
ゲートドライバ電源は、最大+31.5Vおよび最小-18Vを生成する安定化チャージポンプで構成されており、それぞれ最大で15mAを供給できます。ICは、1ストリングあたり150mA(最大)の電流で最大6ストリングのLEDに電力を供給できる入力スイッチ制御(NGATE)を搭載した6ストリングLEDドライバが特徴です。Analog Devices Inc. MAX25169は、7mm x 7mm、48ピンTQFNパッケージ(露出パッド付き)を採用しています。-40°C~+125°C周囲温度範囲で作動します。
特徴
- 4出力TFT-LCDバイアス電力
- TFT-LCDセクションの2.65V~5.5V入力
- 420kHzまたは2.1MHzの昇降圧コンバーターを内蔵
- 出力電圧の調整が可能な正および負の15mAゲート電圧レギュレータ(トリプル/反転ダブラ)
- 柔軟なシーケンシング
- すべての出力での低電圧検出
- 低静止電流のスタンバイモード
- 6チャネル、36V LEDバックライトドライバ
- 外付けnMOSFETシリーズスイッチのNGATE制御
- プログラマブルなnMOSFET電流制限
- 1チャネルあたり最大150mA電流
- 入力電圧 4.5V~36V、セットアップ後の動作 3V
- Boost/SEPICコントローラ内蔵(400kHz~2.2MHz、同期機能を搭載)
- 調光比 16,667:1(200Hz時)
- LED電流シンクの消費電力低減するための、適応電圧の最適化
- オープンストリング、ショートしたLED、GNDに対するショートの診断
- 低EMI
- LEDストリングの位相シフト調光
- LEDドライバとTFT出力でのスペクトラム拡散
- 選択可能なスイッチング周波数
- I2Cインターフェイス(制御と診断用)
- FLTBピンおよびI2Cを介した障害表示
- 不揮発性コンフィギュレーションメモリ
- 過負荷と熱保護
- ASIL Bに準拠
- 周囲温度動作 -40℃~+125℃
- 露出パッド付き7mm x 7mm、48-Pin TQFNパッケージ
- AEC-Q100 グレード 1
アプリケーション
- 車載ダッシュボード
- 自動車用セントラル・インフォメーション・ディスプレイ
- 自動車用ヘッドアップ・ディスプレイ
ビデオ
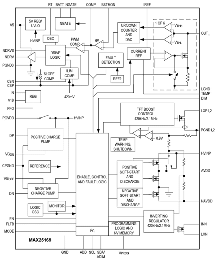
簡略ブロック図
公開: 2023-03-29
| 更新済み: 2023-08-01

