Analog Devices / Maxim Integrated MAX38647B WLP評価キット
Analog Devices Inc. MAX38647B WLP評価キット(MAX38647BEVKIT)は、ウェハレベルパッケージ(WLP)に収められたMAX38647B ICを評価します。コンパクトなMAX38647Bは、1.8V ~ 5.5Vの入力範囲、440nA IQ、4レベルのVSELを備えた175mAのnanoPower降圧コンバータを特徴としています。MAX38647BEVKITは、0.5V ~ 1.8Vの抵抗で設定可能な出力電圧を提供します。MAX38647Bは、2本の電圧選択(VSEL)ピンを使用して電圧を動的に変更することができます。 完全組み立て/試験済みのAnalog Devices Inc. MAX38647B WLP評価キットは、最大175mAの出力電流を供給し、MAX38647BANA+が実装されています。特徴
- 8バンプWLPパッケージ(1.82mm x 0.89mm、0.4mmピッチ)に収められたMAX38647B ICを評価
- 入力電圧範囲:1.8V ~ 5.5V
- 設定可能な出力電圧:0.5V ~ 1.8V
- 出力電流:最大175mA
- 実証済み2層1オンス銅プリント基板レイアウト
- 小型ソリューションサイズを実証
- 組立完了、試験済
必要な機器
- 1x MAX38647B WLP EVキット
- 5.5V、3A DC電源
- 175mAの電流をシンク可能な負荷容量
- デジタル電圧計(DVM)
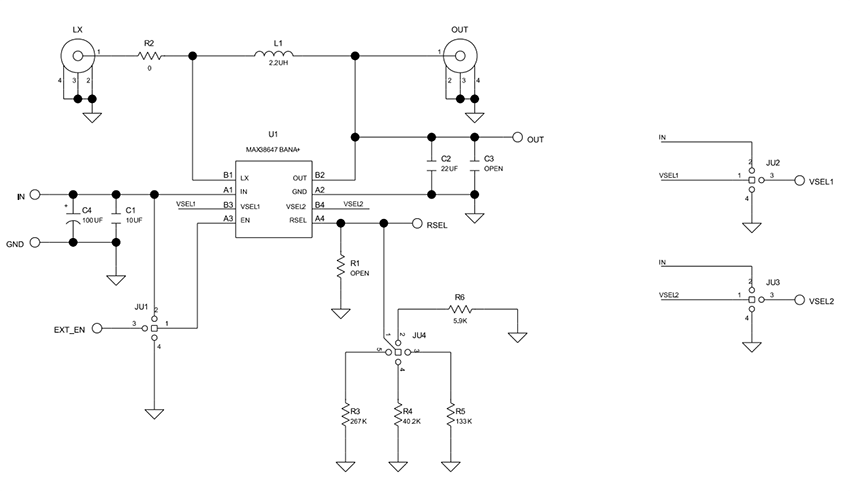
回路図
概要
その他のリソース
公開: 2023-06-15
| 更新済み: 2023-07-05
