Analog Devices / Maxim Integrated MAX77789 3.15Aチャージャ集積回路(IC)
Analog Devices/Maxim Integrated MAX77789 3.15Aチャージャ集積回路(IC)は、統合USB Type-C ® CC検出および逆ブースト機能を備えています。MAX77789 は、-40 ° C~+85 ° Cの温度範囲内および4.6V~13.4V の入力電圧範囲内で動作し、3Aの最大入力電流制限を備えています。ICは、適応型入力電流制限(AICL)機能(入力電流を低減することで入力電圧を安定化)を実装し、弱いアダプタの電圧崩壊やフォールド・バックを防止できます。ICのUSB Type-C™構成チャンネル(CC)検出PINSは、デフォルトとしてDRP(デュアル・ロール・ポート)で動作し、自動USB Type-C電源ソース検出およびシンクデバイスが可能です。さまざまなレガシーUSBならびに独自のアダプタをサポートするために、このデバイスには D+ および D- PINSを使用したBC1.2検出も統合されています。ICは、USBプラグが挿入されると、ソフトウェア制御なしでCCピンとBC1.2検出を自動的に実行します。
ICには、最大5.1V、1.5Aの逆ブースト機能が備わっており、自動方法またはシステムMCUによって設定されたレジスタで有効にできます。STAT1ピンは充電状態を示し、INOKBピンは有効な入力電圧を示します。EXTSMピンを使用して出荷モードを終了し、システムを強制リセット(POR)することができます。また、STAT2ピンは、レジスタ・ビット選択によって、障害検出とチャージャ検出の完了を表示します。
ICには、Smart Power Selector™とバッテリの真の切断FETが装備されており、バッテリの充電/放電を制御し、障害が発生した場合にバッテリを絶縁します。IC は、リチウムイオンおよび LiFePO4バッテリをサポートし、3.6V~4.55Vのさまざまなターミネーション電圧をサポートします。Analog Devices/Maxim Integrated MAX77789 は、2.85mm x 2.85mm、0.4mmピッチ、6x6 ウェハーレベル・パッケージ(WLP)であり、低コストのプリント基板組み立てに適しています。
特徴
- 最大16Vまでの保護
- 最大入力動作電圧:13.4V
- 最大充電電流:3.15A
- 6Aの放電電流保護
- 集積CC検出(USB Type-C用)
- デュアル・ロール・ポート(DRP)をサポート
- HVDCPのDP/DN手動制御
- レガシーSDP、DCP、CDP、DCDタイムアウトの集積BC1.2検出
- 一般的な独自のチャージャタイプ用の統合USB検出
- 自動入力電流制限構成
- 適応型入力電流制限(AICL)を備えた入力電圧安定化
- 5.1V/1.5A OTGモードとBYP 逆ブースト
- 動作温度範囲:-40°C~+85°C
- 集積電力経路
- 安全性
- 充電安全タイマ
- JEITA準拠のNTCサーミスタ・モニタ
- 熱遮断
- すべての機能のピン制御
- 充電状態を示すSTAT1ピン
- 障害とチャージャタイプ検出が完了していることを示すSTAT2ピン
- 入力パワーOKを示すINOKBピン
- 出荷モードとシステムPORを終了するためのEXTSMピン
- 一時停止モードをサポートするSTBYピン
- サーミスタを監視するTHMピン
- 統合バッテリの真のディスコネクトFET
- INTBと互換性のある I2C
- 2.85mm2 、6x6 WLPパッケージ
アプリケーション
- モバイルPOS(mPOS)端子
- 携帯用医療機器
- ワイヤレス・ヘッドフォン
- GPSトラッカ
- ウェアラブル・デバイス用の充電クレードル
- 電力バンク
- モバイル・ルータ
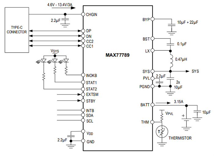
簡略ブロック図
機能図
公開: 2023-08-28
| 更新済み: 2023-09-01
