Analog Devices Inc. SCP-LT3045-1-EVALZ評価ボード
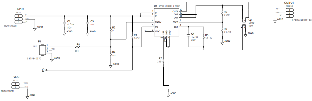
Analog Devices Inc. SCP-LT3045-1-EVALZ評価ボードは、LT3045-1 IC高性能低ドロップアウト・リニアレギュレータの評価に使用するように設計されています。このボードは、ノイズに敏感な回路での低ノイズ動作を実現している20V 500mA低ドロップアウト(LDO)レギュレータです。SCP-LT3045-1-EVALZボードは、広い出力範囲を対象に構成されており、高PSRでの動作が極めて静かです。このボードは、低消費電力シグナルチェーンの高速評価が可能になる完全シグナルチェーン・パワーシステムを形成するために、他のSCPボードに簡単に差し込むことができます。特徴
- ノイズに敏感な回路での低ノイズ動作
- 20V最高入力電圧 (VIN(MAX))
- 19.5V最高出力電圧(VOUT(MAX))
- 500mA最大出力電流 (IOUT(MAX))
回路図
公開: 2021-03-09
| 更新済み: 2022-03-11
