Analog Devices Inc. EVAL-ADM3067EEBZ評価ボード
Analog Devices EVAL-ADM3067EEBZ評価ボードは、RS-485トランシーバであるADM3067E 50Mbpsの性能評価を目的に設計されています。この評価ボードには、すべての信号の計測を目的としたテストポイントが備わっているRS-485 AおよびBバスピンでのIEC ESD保護が備わっています。EVAL-ADM3067EEBZ評価ボードは、REとDEのジャンパを選択できる有効/無効、および終端とバイアスネットワーク用のフットプリントが備わったレジスタが特徴です。この評価ボードは、標準の構成可能ベンチ電源によって3.0V~5.5Vの供給電圧内で給電されています。特徴
- ADM3067E 50 Mbps RS-485トランシーバの簡単な評価
- 標準、フルデュプレックス、RS-485フットプリント用のボードレイアウト
- ロジック入力/出力用およびRS-485信号用のネジ端子ブロック
- REとDEのジャンパー選択が可能/不可能
- すべての信号を測定するためのテストポイント
- 終端およびバイアス・ネットワーク用の抵抗とフットプリント
仕様
- 14リードSOIC
- ±12kV接触放電と±12kV空中放電
- 供給電圧範囲: 3V~5V
必要な機器
- オシロスコープ
- シグナルジェネレータ
- 供給: 3V~5V
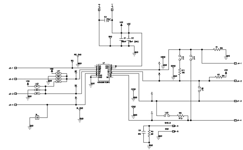
EVAL-ADM3067EEBZのスキーム図
公開: 2019-05-13
| 更新済み: 2024-01-05
