Analog Devices Inc. MAX20087評価キット
Analog Devices Inc. MAX20087評価用キットは、カメラ電源ICであるMAX2008xの完全な機能を実証します。この評価用キットは、スタンドアロンとしての動作、またはI2Cインターフェイスを介してコントローラと接続し、高度な制御と診断を実現できます。MAX20087キットにデフォルトで実装されているICはMAX20087で、4つの出力チャネルとASILグレードのアプリケーションに対応する完全な診断機能一式を備えています。このキットは、シリーズ中の他のすべてのデバイスに対応しており、既存のICを目的のものと交換することによって評価が可能です。MAX20087評価用キットは、保護対象出力電源チャネルの同時かつ個別の動作と評価が可能です。この評価用キットは、パーツの動作用のインタフェースを内蔵しており、外部I2Cコントローラは不要です。特徴
- 入出力間チャネル抵抗:400mΩ (typ)
- 出力UVおよびOC状態時の自動シャットダウンと再試行によってICの消費電力を低減
- 過電圧状態時のチャネルの継続的シャットオフによってシステムの他の部分を保護
- 基本的なスタンドアロン動作またはI2Cインタフェースを介した高度な制御と診断が可能
- 実績のあるPCBレイアウト
- 組立と試験を完了
アプリケーション
- レーダー用のPoC (Power-over-coax)
- カメラモジュール
必要な機器
- 電源:3.3V
- 12V電源
- 電気抵抗負荷:0.5Aおよび25Ω
- デジタル・マルチメータ(DMM)
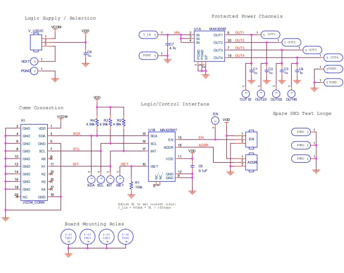
スキーム図
公開: 2020-03-26
| 更新済み: 2024-05-07
