Analog Devices / Maxim Integrated MAX20331評価キット

Maxim Integrated MAX20331評価キットは、組立とテストが完了している回路ボードで、オーディオラインデバイスのMAX20331高電圧・過電圧プロテクタ(OVP)を実証します。この評価キットには、MAX20331EWL+がインストールされており、MAX20331Aの評価に使用できます。MAX20331評価キットは、9バンプ・ウェハーレベル・パッケージ(WLP)に収められているMAX20331オーディオ・ライン過電圧プロテクタを実証します。

特徴

  • 3.5mmジャック・オーディオ・ライン保護
  • 実績のあるPCBレイアウト
  • 完全に組立済、テスト済
  • MAX20331EWL+を搭載

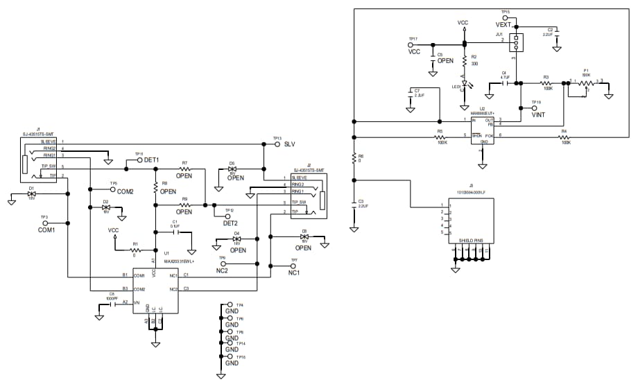
MAX20331評価キットのスキーム図

回路図 - Analog Devices / Maxim Integrated MAX20331評価キット
公開: 2018-10-08 | 更新済み: 2023-04-24